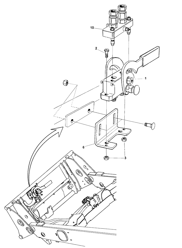
Запчасти Case IH L780 PRO (35.525.AD[02]) - QUICK COUPLER RELEASE, 2 COUPLER (35) - HYDRAULIC SYSTEMS

Схема запчастей Case IH L780 PRO - (35.525.AD[02]) - QUICK COUPLER RELEASE, 2 COUPLER (35) - HYDRAULIC SYSTEMS
3
6
10
1
2
FIT
1:1
100%

Артикул

Название

Примечание

Количество

1

NSS

NOT SOLD SEPARAT

PLATE, Mounting, Loader Component

1шт.

2

LDR5004061

SCREW

M8 x 20

2шт.

3

LDR5011553

NUT,M8

M8, Locking

2шт.

6

LDR5219188

BRACKET

1шт.

10

NSS

NOT SOLD SEPARAT

MOUNTING PLATE, Implement Component

1шт.

Выбрано товаров: 5