Запчасти Case IH L780 PRO (35.734.AA[03]) - 4TH FUNCTION HYDRAULICS (35) - HYDRAULIC SYSTEMS

Схема запчастей Case IH L780 PRO - (35.734.AA[03]) - 4TH FUNCTION HYDRAULICS (35) - HYDRAULIC SYSTEMS
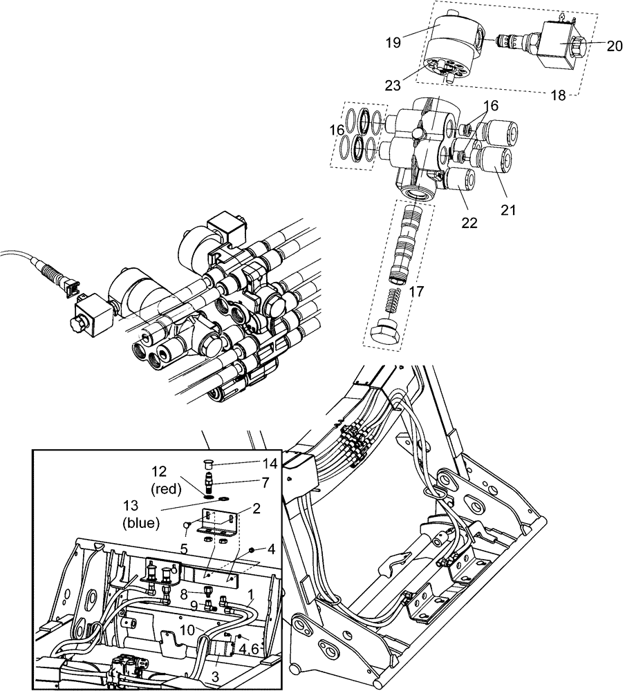
12
16
18
5
3
4
6
22
9
19
21
14
1
2
20
4
7
17
13
23
10
8
16
FIT
1:1
100%

Артикул

Название

Примечание

Количество

1

LDR5219189

BRACKET

1шт.

2

LDR5219187

BRACKET

1шт.

3

LDR5219183

GUIDE

1шт.

4

LDR5011554

NUT,M10

4шт.

5

LDR5006003

SCREW

2шт.

6

LDR5006002

SCREW

4шт.

7

LDR5044915

QUICK MALE COUPLING

2шт.

8

LDR5027827

HYD CONNECTOR

1шт.

9

LDR1120099

COUPLING

1шт.

10

LDR9031261

FLEXIBLE HOSE

1шт.

LX720 - LX770, L720 - L770

1шт.

10

LDR9031265

FLEXIBLE HOSE

1шт.

LX720 - LX770, L720 - L770

1шт.

11

LDR9031260

FLEXIBLE HOSE

1шт.

LX780, L780

1шт.

11

LDR9031264

FLEXIBLE HOSE

1шт.

LX780, L780

1шт.

12

LDR10550333

HYDRAULIC VALVE

1шт.

13

LDR5022157

WASHER

1шт.

14

LDR5022159

WASHER

1шт.

15

LDR5044129

CAP

2шт.

16

LDR10550328

KIT

1шт.

17

LDR10550321

PLUG

1шт.

18

LDR10550325

SERVO-CONTROL

1шт.

19

LDR10550324

SERVO-CONTROL

1шт.

20

LDR10550323

SHUT-OFF VALVE

1шт.

21

LDR9031325

COUPLING

2шт.

22

LDR9031324

COUPLING

2шт.

23

LDR5040040

SEAL KIT

1шт.

Выбрано товаров: 29