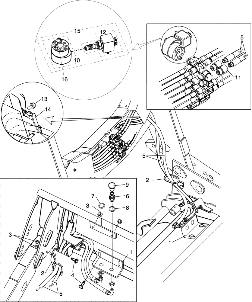
Запчасти Case IH L795 (55.035.AJ[01]) - VAR - 730789006 - DIVERTER VALVE KIT - 3 FUNCTION (55) - ELECTRICAL SYSTEMS

Схема запчастей Case IH L795 - (55.035.AJ[01]) - VAR - 730789006 - DIVERTER VALVE KIT - 3 FUNCTION (55) - ELECTRICAL SYSTEMS
12
16
15
5
11
14
3
2
3
5
2
13
1
10
8
7
1
6
5
4
9
FIT
1:1
100%

Артикул

Название

Примечание

Количество

1

LDR5220303

BRACKET

1шт.

2

LDR5219183

GUIDE

1шт.

3

LDR5011554

NUT,M10

M10

4шт.

4

LDR5006002

SCREW

M10 x 30 FZB

4шт.

5

LDR9031774

HOSE

2шт.

6

LDR5044940

QUICK MALE COUPLING,3/8" BSP

3/8

2шт.

7

LDR5022159

WASHER

Blue

1шт.

8

LDR5022157

WASHER

Red

1шт.

9

LDR5044129

CAP

2шт.

10

LDR10550324

SERVO-CONTROL

1шт.

11

LDR9031325

COUPLING

1/2

2шт.

12

LDR10550323

SHUT-OFF VALVE

1шт.

13

LDR5006007

SCREW

M8 x 16

1шт.

14

LDR5215067

GUIDE

1шт.

15

LDR10550265

SERVO-CONTROL

1шт.

16

LDR5040040

SEAL KIT

1шт.

Выбрано товаров: 16