Запчасти Case IH LX132 (09-18) - GRAPPLE ATTACHMENT (09) - CHASSIS/ATTACHMENTS

Схема запчастей Case IH LX132 - (09-18) - GRAPPLE ATTACHMENT (09) - CHASSIS/ATTACHMENTS
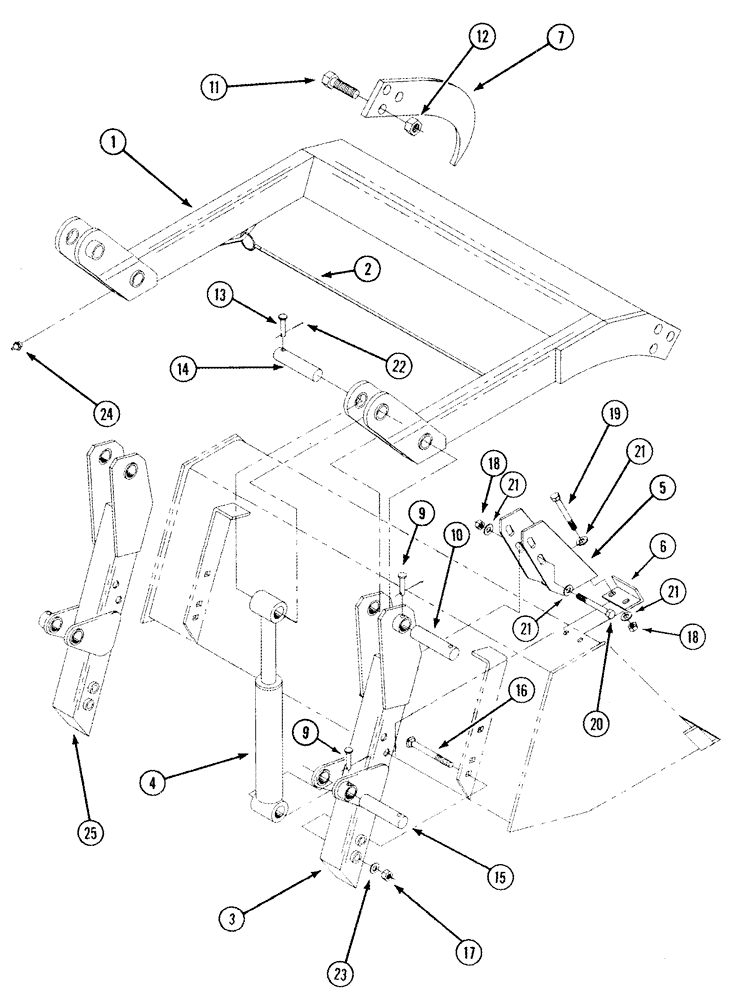
13
15
21
18
7
20
23
1
10
9
21
14
21
3
5
16
12
19
9
17
11
4
22
18
21
6
2
25
24
FIT
1:1
100%

Артикул

Название

Примечание

Количество

REF

INSTRUCTION

BUCKET, 84 in HD, Inc. Grapple

1шт.

Order 715737056 From Machinery Price List

1шт.

REF

INSTRUCTION

GRAPPLE, Complete, for 84 in HD Bucket

1шт.

Order 716983026 From Machinery Price List

1шт.

1

1985063C1

FRAME ASSY

Grapple

1шт.

2

105000A1

CABLE

1шт.

3

1985070C1

PEDESTAL

Right Hand

1шт.

4

437085A1

CYLINDER

2шт.

See Figure 08-13

1шт.

5

86985395

BRACKET

2шт.

6

1985064C1

ANGLE

2шт.

7

87407361

TINE

4шт.

9

427-6225

CLEVIS PIN,3/8" x 2 1/4"

3/8 x 2-1/4

6шт.

10

T58133

HEADLESS PIN,33.34mm OD x 170mm L

1-5/16 x 6-5/8

2шт.

11

413-1240

BOLT,Hex, 3/4" - 10 x 2-1/2", Gr 5

8шт.

12

231-14412

LOCK NUT,3/4"-10, GB

8шт.

14

T53095

HEADLESS PIN,28.57mm OD x 125mm L

1-1/8 x 4-1/2

2шт.

15

1344768C1

HEADLESS PIN,28.57mm OD x 168mm L

1-1/8 x 6-1/2

2шт.

16

433-1096

CARRIAGE BOLT,Sq Nk, 5/8" - 11 x 6", Gr 5

5/8 x 6

6шт.

17

231-41110

LOCK NUT,5/8"-11, GB

6шт.

18

231-4118

LOCK NUT,1/2"-13, GB

1/2

8шт.

19

413-856

BOLT,Hex, 1/2" - 13 x 3-1/2", Gr 5

4шт.

20

413-888

BOLT,Hex, 1/2" - 13 x 5-1/2", Gr 5

1/2 x 5-1/2

4шт.

21

496-31053

WASHER,13.49mm ID x 26.98mm OD x 4.78mm Thk

17/32 x 1-1/16 x 3/16

16шт.

22

432-612

COTTER PIN,3/32" x 3/4"

6шт.

23

495-21069

WASHER,5/8"

11/16 x 1-3/4 x 9/64

6шт.

24

219-87

LUBE NIPPLE,1/4" - 28 NPTF

6шт.

25

1985071C1

PEDESTAL

Left Hand

1шт.

Выбрано товаров: 28