Запчасти Case IH LX146 (019) - QUICK ATTACH DEVICE (82) - FRONT LOADER & BUCKET

Схема запчастей Case IH LX146 - (019) - QUICK ATTACH DEVICE (82) - FRONT LOADER & BUCKET
20
19
2
13
6
11
12
22
23
19
10
20
13
17
20
18
25
9
8
24
23
17
16
4
18
13
24
7
5
24
20
21
22
1
15
25
20
13
14
3
21
26
20
20
FIT
1:1
100%

Артикул

Название

Примечание

Количество

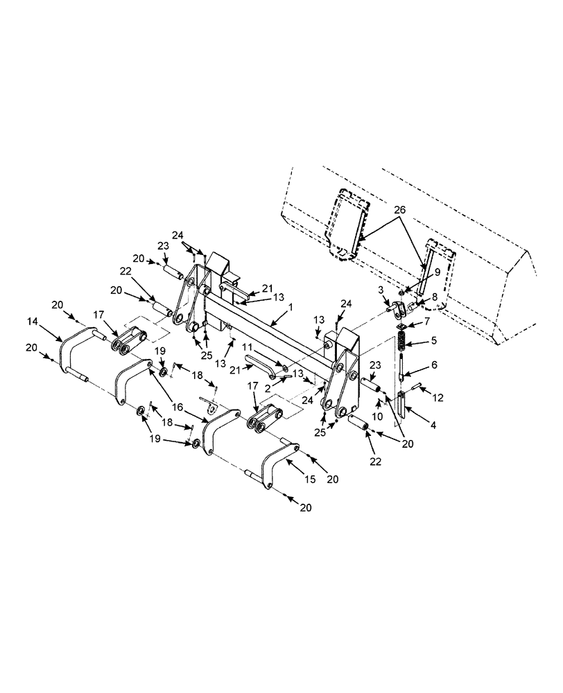
1

SML50533

FRAME ASSY

1шт.

2

SMLG9413315

SPRING

1/4" x 1-1/2"

2шт.

3

SML47615

LINK

2шт.

4

SML48687

PIN

2шт.

5

SML47614

SPRING

2шт.

6

SML47618

BOLT

2шт.

7

SML47526

GUIDE

2шт.

8

SML47394

PIN

2шт.

9

SML65437

NUT

2шт.

10

86523956

COTTER PIN,5/32" x 1"

2шт.

11

SML474081

SPRING

2шт.

12

SML4190214

CLEVIS PIN

2шт.

13

PL

PROCURE LOCALLY

Fitting, Grease, 1/4"-28

4шт.

14

SML505151

LINKAGE

Left

1шт.

15

SML505152

LINKAGE

Right

1шт.

16

SML50512

LUG

2шт.

17

SML50510

LINK

2шт.

18

86581648

ROLL PIN

3/8" x 2"

4шт.

19

86582383

BUSHING

1-1/4"

3шт.

20

80710

LUBE NIPPLE,1/8” – 27 Dryseal PTF

8шт.

4 fittings furnished with loader

1шт.

21

SML48686

HANDLE

2шт.

22

SML50480

SPECIAL PIN

1-1/2" x 5.88"

2шт.

Furnished with basic loader

1шт.

23

86581650

PIN

1-1/4" x 5.88"

2шт.

Furnished with basic loader

1шт.

24

87936

BOLT,Hex, 3/8" - 16 x 2 1/2", Gr 5

4шт.

Furnished with basic loader

1шт.

25

88902

NUT,3/8"-16

4шт.

Furnished with basic loader

1шт.

26

86582385

DECAL

Reflective, Alignment, White, 14"

4шт.

Выбрано товаров: 31