Качественные детали и логистика
Оригинальные и аналоговые запчасти с доставкой по России, Казахстану и Беларуси
©2022 PartSell ООО "Система" ИНН 2463123282 ОГРН 1212400004838
Центральный офис: г. Красноярск, Академика Киренского, д.87, пом.4
Телефон: 8 (800) 777-65-74 Email: zakaz@partsell.ru
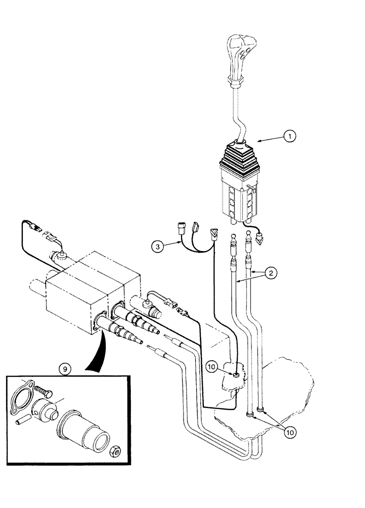
(08-24) - HYDRAULIC CONTROLS - MOUNTING - 3 FUNCTION - MX100-MX170 POWER SHIFT TRANSMISSION
№
Артикул
Название
Примечание
Количество
1
254288A3
CONTROL
1шт.
See Figure 08-25
2
REF
INSTRUCTION
Cable
2шт.
3
442976A1
HARNESS
9
252798A1
SET OF PARTS
10
182045A1
GROMMET
3шт.
Выбрано товаров: 0