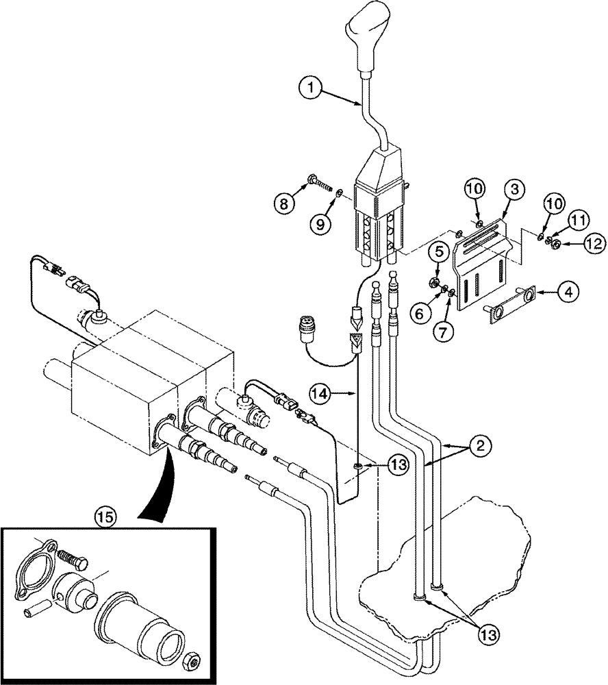
Запчасти Case IH LX172 (08-26) - HYDRAULIC CONTROLS - MOUNTING - 3 FUNCTION MX100-MX170 SYNCHROMESH TRANSMISSION (08) - HYDRAULICS

Схема запчастей Case IH LX172 - (08-26) - HYDRAULIC CONTROLS - MOUNTING - 3 FUNCTION MX100-MX170 SYNCHROMESH TRANSMISSION (08) - HYDRAULICS
13
15
9
4
10
6
10
13
8
14
12
5
1
2
3
7
11
FIT
1:1
100%

Артикул

Название

Примечание

Количество

1

280020A3

CONTROL

1шт.

See Figure 08-27

1шт.

2

REF

INSTRUCTION

Cable

2шт.

3

258822A1

SUPPORT

1шт.

4

295751A1

SUPPORT

1шт.

5

425-106

NUT,3/8"-16, Cl 5

2шт.

6

492-11038

LOCK WASHER,3/8"

2шт.

7

495-21056

WASHER,1/2"

9/16 x 1-3/8 x 7/64

2шт.

8

413-448

BOLT,Hex, 1/4" - 20 x 3", Gr 5

1/4 x 3

2шт.

9

495-11028

WASHER,1/4", SAE

(9/32 x 5/8 x 1/16")

2шт.

10

495-21031

WASHER,1/4"

5/16 x 3/4 x 1/16

4шт.

11

492-11025

LOCK WASHER,1/4"

2шт.

12

425-104

NUT,1/4"-20, Cl 5

2шт.

13

182045A1

GROMMET

4шт.

14

442976A1

HARNESS

1шт.

15

252798A1

SET OF PARTS

2шт.

Выбрано товаров: 16