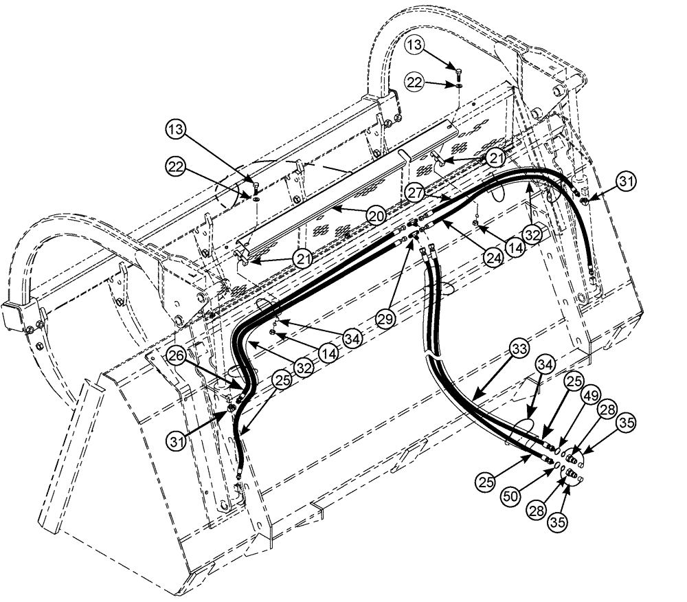
Запчасти Case IH LX192 (88.058.01[02]) - HYDRAULICS - GRAPPLE FORK WITH SPILL GUARD (88) - ACCESSORIES

Схема запчастей Case IH LX192 - (88.058.01[02]) - HYDRAULICS - GRAPPLE FORK WITH SPILL GUARD (88) - ACCESSORIES
28
35
50
35
32
13
27
29
34
34
20
31
31
25
22
13
32
21
33
26
25
22
24
28
14
21
25
49
14
FIT
1:1
100%

Артикул

Название

Примечание

Количество

13

413-636

BOLT,Hex, 3/8" - 16 x 2-1/4", Gr 5

2шт.

14

231-4146

NUT,3/8"-16, GB

2шт.

20

86024075

COVER

1шт.

21

86021458

CLAMP

2шт.

22

495-21044

WASHER,3/8"

2шт.

24

86024077

HOSE

3/8 x 54

1шт.

25

86024078

HOSE

3/8 x 82

3шт.

26

86024079

HOSE

3/8 x 68

1шт.

27

86024080

HOSE

3/8 x 40

1шт.

28

SML613711

COUPLING

Quick, Male

2шт.

29

701-408

TEE,11/16" - 16 Male ORFS x 11/16" - 16 Male ORFS x 11/16" - 16 Male ORFS

2шт.

31

86024129

ELBOW

2шт.

32

86024081

LOOM

Hose, 24 inch

2шт.

33

SML3485348

SLEEVE

Hose, 84 inch

1шт.

34

86582400

STRAP

3/16 x 11

6шт.

35

SML483818

DUST CAP

2шт.

49

SML3624014

BAND

Black

1шт.

50

SML3624015

BAND

Orange

1шт.

Выбрано товаров: 18