Запчасти Case IH LX232 (08-04) - HYDRAULICS - JXC TRACTOR - MID MOUNT (2 FUNCTION STANDARD QUICK CONNECT) (08) - HYDRAULICS

Схема запчастей Case IH LX232 - (08-04) - HYDRAULICS - JXC TRACTOR - MID MOUNT (2 FUNCTION STANDARD QUICK CONNECT) (08) - HYDRAULICS
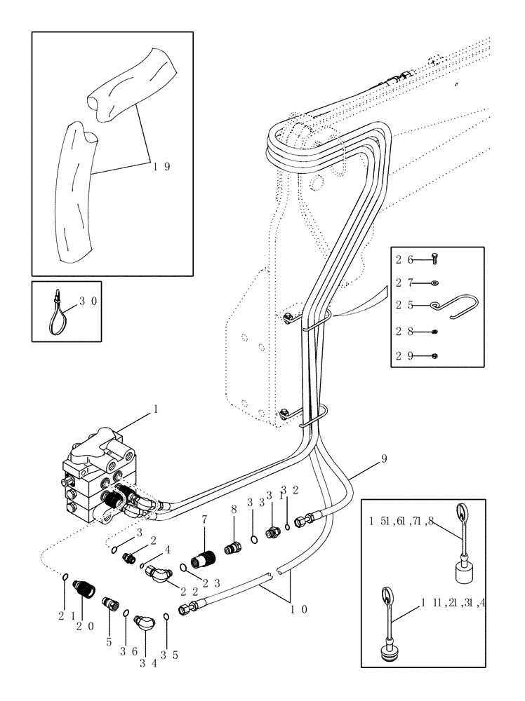
1
2
25
34
9
28
5
31
10
4
21
3
29
35
14
23
30
18
8
32
7
33
26
22
36
20
19
27
FIT
1:1
100%

Артикул

Название

Примечание

Количество

1

REF

INSTRUCTION

Loader Valve

1шт.

See JXC Tractor Catalog

1шт.

2

87403694

FITTING

M18 Din Male to 13/16 Male, Inc. 3, 4

1шт.

3

87406796

SEAL

1шт.

4

238-6014

O-RING,0.07" Thk x 0.489" ID, -14, Cl 6, 90 Duro

1шт.

5

87404022

QUICK MALE COUPLING

3шт.

7

87404023

COUPLING, QUICK, FEM

1шт.

8

399491A1

QUICK MALE COUPLING

Male

1шт.

9

87440114

HOSE

2515 mm (99 in), Loader, Serial Range: Valve-Boom

1шт.

10

87440557

HOSE

2616 mm (103 in), Loader, Serial Range: Valve-Boom

3шт.

11

327232A1

CAP

Male, Green

1шт.

12

327227A1

CAP

Male, Blue

1шт.

13

327229A1

CAP

Male, Yellow

1шт.

14

327231A1

CAP

Male, Red

1шт.

15

333722A1

CAP

Female, Green

1шт.

16

333717A1

CAP

Female, Blue

1шт.

17

333719A1

CAP

Female, Yellow

1шт.

18

333721A1

CAP

Female, Red

1шт.

19

87442269

SLEEVE

4 Hose, 90 inch

1шт.

20

87438385

COUPLING

Inc. 21

1шт.

21

87406796

SEAL

1шт.

22

201-349

90 ELBOW,90 Degree Elbow, 13/16" - 16 Female ORFS x 3/4" - 16 Male ORB

Inc. 4, 23

1шт.

23

237-6008

O-RING,0.087" Thk x 0.644" ID, -908, Cl 6, 90 Duro

3шт.

25

87443180

RETAINER

2шт.

26

614-8025

BOLT,Hex, M8 x 1.25 x 25mm, Cl 8.8, Full Thd

2шт.

27

895-15008

WASHER,9mm ID x 20mm OD x 1.6mm Thk

2шт.

28

892-11008

LOCK WASHER,8mm ID

2шт.

29

829-1408

NUT,Hex, M8 x 1.25, Cl 10.9

2шт.

30

1985078C2

SET OF PARTS

Color Tie Straps

1шт.

31

201-112

HYD CONNECTOR,13/16" - 16 Male ORFS x 7/8" - 14 Male ORB

1шт.

32

238-6014

O-RING,0.07" Thk x 0.489" ID, -14, Cl 6, 90 Duro

3шт.

33

237-6010

O-RING,0.097" Thk x 0.755" ID, -910, Cl 6, 90 Duro

1шт.

34

201-305

ELBOW,90 Degree Elbow, 13/16" - 16 Male ORFS x 3/4" - 16 Male ORB

Incl. 35, 36

3шт.

35

237-6008

O-RING,0.087" Thk x 0.644" ID, -908, Cl 6, 90 Duro

1шт.

36

238-6014

O-RING,0.07" Thk x 0.489" ID, -14, Cl 6, 90 Duro

1шт.

Выбрано товаров: 35