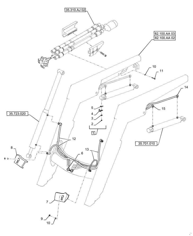
Запчасти Case IH LX720 (35.100.020) - LOADER ARM HYDRAULICS - NSL (35) - HYDRAULIC SYSTEMS

Схема запчастей Case IH LX720 - (35.100.020) - LOADER ARM HYDRAULICS - NSL (35) - HYDRAULIC SYSTEMS
35.310.aj 02
10
11
13
10
14
7
2
6
4
3
12
9
8
15
5
1
35.701.010
82.100.aa 03
82.100.aa 02
35.723.020
FIT
1:1
100%

Артикул

Название

Примечание

Количество

1

LDR5215167

CLAMP

Hose Support, Incl 2 - 5

1шт.

2

NSS

NOT SOLD SEPARAT

Retaining Nut, Incl in 1

1шт.

3

NSS

NOT SOLD SEPARAT

Washer, Incl in 1

1шт.

4

NSS

NOT SOLD SEPARAT

Hose Bracket, Incl in 1

1шт.

5

NSS

NOT SOLD SEPARAT

Support, Incl in 1

1шт.

6

LDR10550258

BLOCK VALVE FOR REMO

Compact

1шт.

7

LDR5215061

HOSE CLAMP

LH

1шт.

8

LDR5215062

HOSE CLAMP

RH

1шт.

9

LDR5011910

NUT

2шт.

10

LDR5013101

WASHER,8.40mm ID x 16mm OD x 1.50mm Thk

3шт.

11

LDR5005128

SCREW

1шт.

12

LDR9031243

FLEXIBLE HOSE

2шт.

13

LDR9031248

FLEXIBLE HOSE

2шт.

14

LDR9031237

FLEXIBLE HOSE

2шт.

15

LDR9031227

FLEXIBLE HOSE

2шт.

Выбрано товаров: 15