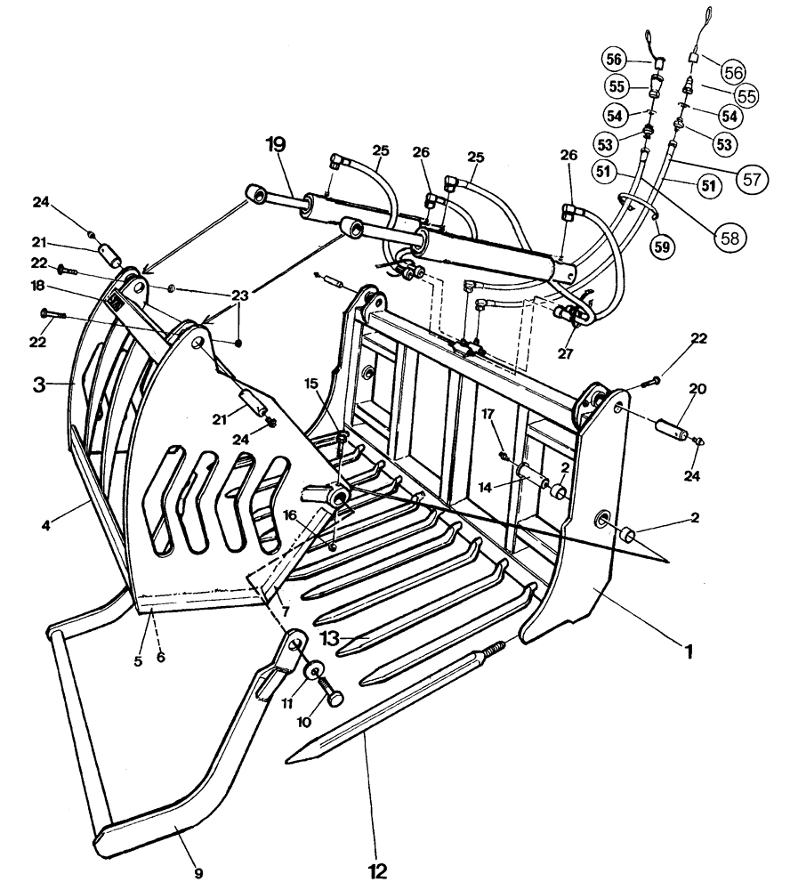
Запчасти Case IH LX730 (82.300.AQ[38]) - SILOCUT 150 (82) - FRONT LOADER & BUCKET

Схема запчастей Case IH LX730 - (82.300.AQ[38]) - SILOCUT 150 (82) - FRONT LOADER & BUCKET
10
53
18
24
7
24
21
26
54
16
9
55
27
3
26
56
22
17
24
11
12
14
23
6
25
1
22
53
54
15
2
13
25
51
20
5
58
59
22
51
56
4
21
55
19
57
2
FIT
1:1
100%

Артикул

Название

Примечание

Количество

1

NSS

NOT SOLD SEPARAT

1шт.

2

LDR5018513

BUSHING,40mm ID x 44mm OD x 20mm L

40 OD x 20

8шт.

3

NSS

NOT SOLD SEPARAT

1шт.

4

LDR1111482

1шт.

5

LDR1111487

1шт.

6

LDR1111488

1шт.

7

LDR1111489

2шт.

9

NSS

NOT SOLD SEPARAT

1шт.

10

LDR5002076

SCREW

M6S 10 x 20

2шт.

11

NSS

NOT SOLD SEPARAT

69 OD x 4

2шт.

12

LDR5068003

TINE

820 mm

2шт.

13

LDR5068015

TINE

820 mm

11шт.

14

LDR1116625

40 OD x 198 mm

2шт.

15

LDR5004086

MC6S 10 x 85

2шт.

16

LDR5011554

NUT,M10

M6M 10 Locking

2шт.

17

LDR5023005

LUBE NIPPLE

M 10

2шт.

18

LDR1123296

SILOCUT

1шт.

19

LDR12707510

LIFT CYLINDER,Double Acting, 50mm Rod, 285mm Stroke

Dia. 100/50

2шт.

See Figure 08-30

1шт.

20

LDR1116572

35 OD x 156 mm

2шт.

21

LDR1116571

35 OD x 178

2шт.

22

LDR5004082

SCREW

MC6S 10 x 65

4шт.

23

LDR5011554

NUT,M10

M6M 10 Locking

4шт.

24

LDR5023005

LUBE NIPPLE

M 10

4шт.

25

LDR1103152

3/8" - 930

2шт.

26

LDR1103147

FLEXIBLE HOSE

3/8" - 700

2шт.

27

LDR5033606

CABLE TIE

2шт.

51

LDR1103113

FLEXIBLE HOSE

3/8 ' - 90 Degree - 450

2шт.

53

LDR1120011

HYD CONNECTOR

R 3/8" - 1/2"

2шт.

54

LDR5013604

WASHER,21mm ID x 28mm OD

Copper, 21 x 28

2шт.

55

LDR5044127

COUPLING, QUICK, FEM,1/2"

R 1/2" Female

2шт.

56

LDR5044130

PROTECTIVE COVER

2шт.

57

LDR5022177

CABLE TIE

CABLE STRAP Red

1шт.

58

LDR5022179

CABLE TIE

CABLE STRAP Blue

1шт.

59

LDR5033606

CABLE TIE

Black

1шт.

Выбрано товаров: 35