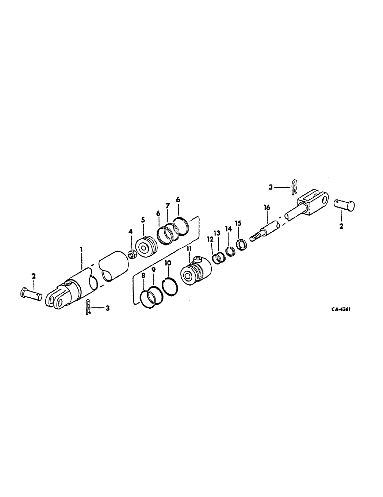
Запчасти Case IH 555 (A-78) - HYDRAULIC CYLINDER, IH, 3.5 X 8 DOUBLE ACTING, 1972 TO 1974 SEASON

Схема запчастей Case IH 555 - (A-78) - HYDRAULIC CYLINDER, IH, 3.5 X 8 DOUBLE ACTING, 1972 TO 1974 SEASON
FIT
1:1
100%

Артикул

Название

Примечание

Количество

546719R91

CYLINDER

3-1/2 x 8 in. da

1шт.

1

BODY ASSY, hyd cyl, replaces 547711R1 by ordering 1272147C91 cylinder assy, 2-1252129C1 cylinder assy, 2-1252129C1 union and 2-570828R1 o-rings (NSS)

1шт.

2

61571C1

PIN

cylinder pivot, replaces pin, 547659R1 by also ordering pin, 520175R1

2шт.

3

520175R1

CLIP

PIN, quick attachable cot., replaces retainer 547660R1 by also ordering pin, 61571C1

2шт.

4

9413974

LOCK NUT,7/8"-14, GB

NUT, 7/8-14 hex lock

1шт.

5

547724R1

PISTON

cylinder

1шт.

6

WASHER, back-up, (2) for service order 547725R91 kit (NSS)

1шт.

7

O-RING, 3-1/8 x 3-1/2 x 3/16 for service order 547725R91 kit (NSS)

1шт.

8

O-RING, 3-1/4 x 3-1/2 x 1/8 for service order 547725R91 kit (NSS)

1шт.

9

WASHER, back-up for service order 547725R91 kit (NSS)

1шт.

10

RETAINER, front head for service order 547725R91 kit (NSS)

1шт.

11

547722R1

HEAD

front

1шт.

12

O-RING, 1-1/4 x 1-1/2 x 1/8 for service order 547725R91 kit (NSS)

1шт.

13

WASHER, back-up for service order 547725R91 kit (NSS)

1шт.

14

WIPER, piston rod for service order 547725R91 kit (NSS)

1шт.

15

RETAINER, piston rod for serivce order 547725R91 kit (NSS)

1шт.

16

547719R1

ROD

ASSY, piston

1шт.

547725R91

SEAL KIT

PACKAGE, hyd cyl seal ring service, consists of ref nos 4, 6 thru 10 12 thru 15

1шт.

Выбрано товаров: 18