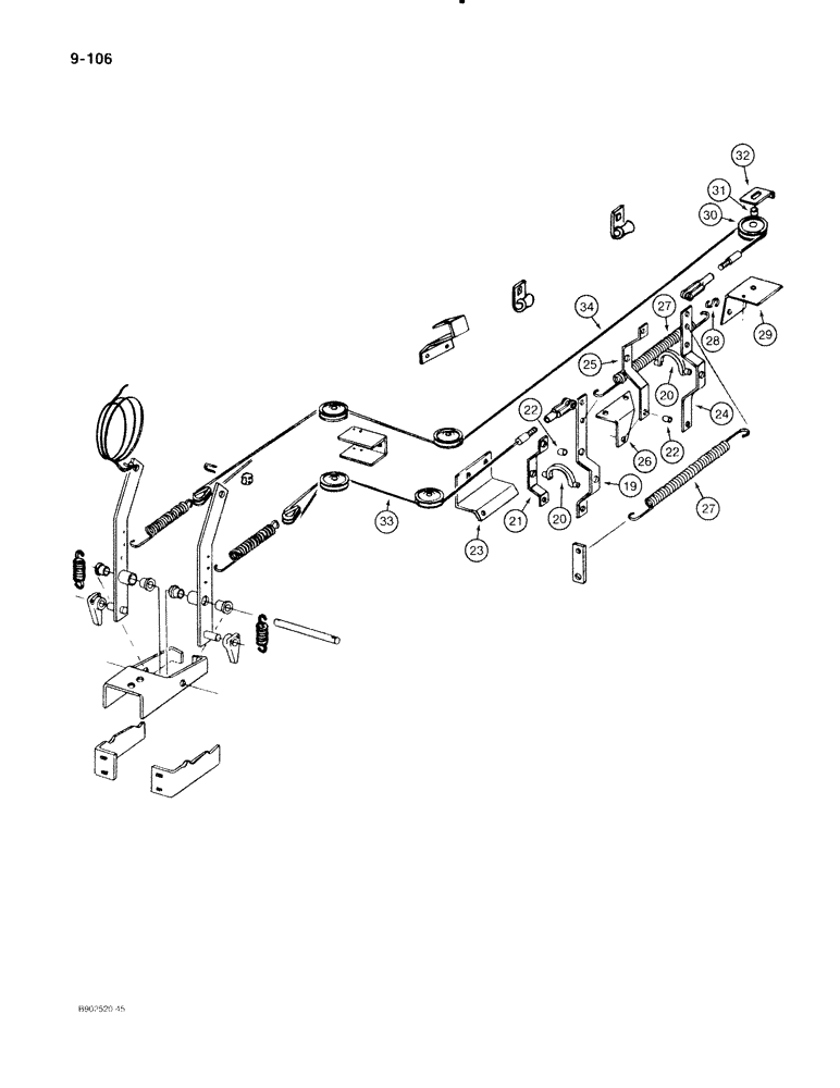
Запчасти Case IH 560 (9-106) - WIDESPREAD AND APRON DRIVE CONTROLS, USED ON MODEL 560 ONLY (09) - CHASSIS/ATTACHMENTS

Схема запчастей Case IH 560 - (9-106) - WIDESPREAD AND APRON DRIVE CONTROLS, USED ON MODEL 560 ONLY (09) - CHASSIS/ATTACHMENTS
FIT
1:1
100%

Артикул

Название

Примечание

Количество

19

822231C1

LEVER

- apron drive clutch control

1шт.

20

820333C1

FORK

- clutch shift

2шт.

21118R1

LUBE NIPPLE,1/8" x .47" lg, Drive

FITTING - straight, drive type, 1/8 inch

2шт.

21

820326C1

CLAMP

- shifter fork retaining

1шт.

413-416

BOLT,Hex, 1/4" - 20 x 1", Gr 5

- hex, 1/4 NC x 1 inch, clamp to lever

1шт.

938016R1

FLANGE NUT,Flg, USR, 1/4"-20

- hex, flange, self-locking, 1/4 inch NC

1шт.

22

820520C1

SPACER

- lever pivot

2шт.

495-81105

WASHER,.281" x 3/4" x .120"

- flat, 9/32 x 47/64 x 3/32 inch

2шт.

495-51028

WASHER,0.28" ID x 0.73" OD x 0.06" Thk

- flat, 9/32 x 3/4 x 3/32 inch

1шт.

938016R1

FLANGE NUT,Flg, USR, 1/4"-20

- hex, flange, self-locking, 1/4 inch NC

1шт.

425-104

NUT,1/4"-20, Cl 5

- hex, 1/4 inch NC

2шт.

23

821484C2

SUPPORT

- apron clutch control, rear

1шт.

434-616

CARRIAGE BOLT,Sht Sq Nk, 3/8" - 16 x 1", Gr 5

BOLT - carriage, 3/8 NC x 1 inch, pivot support and drive support to box main and rear left-hand sides

2шт.

425-106

NUT,3/8"-16, Cl 5

2шт.

492-11038

LOCK WASHER,3/8"

2шт.

24

822513C1

LEVER

- widespread drive clutch control

1шт.

25

820325C1

CLAMP

- shifter fork retaining

1шт.

413-416

BOLT,Hex, 1/4" - 20 x 1", Gr 5

- hex, 1/4 NC x 1 inch, clamp to lever

1шт.

938016R1

FLANGE NUT,Flg, USR, 1/4"-20

- hex, flange, self-locking, 1/4 inch NC

1шт.

26

820323C2

SUPPORT

- widespread clutch control

1шт.

413-614

BOLT,Hex, 3/8" - 16 x 7/8", Gr 5

Pivot support to lower widespread drive support angle Hex, 3/8"-16 x 7/8", G5, Full Thd

2шт.

425-106

NUT,3/8"-16, Cl 5

2шт.

492-11038

LOCK WASHER,3/8"

2шт.

27

57288D

SPRING

- control lever return

2шт.

28

822534C1

HOOK

- spring connecting

1шт.

29

821052C2

ANGLE

- rear pulley support

1шт.

434-620

CARRIAGE BOLT,Sht Sq Nk, 3/8" - 16 x 1 1/4", Gr 5

BOLT, CARRIAGE, , Angle to widespread drive support angle and rear left-hand side Short NK, 3/8"-16 x 1 1/4", G5, Full Thd

1шт.

425-106

NUT,3/8"-16, Cl 5

1шт.

492-11038

LOCK WASHER,3/8"

1шт.

495-81135

WASHER,10.31mm ID x 25.4mm OD x 3.4mm Thk

- flat, 13/32 x 1 x 7/64"

1шт.

30

820652C1

PULLEY

- widespread cable, rear

1шт.

31

561277R1

SPACER,5/8" Tube x 1/2"

BUSHING - pulley

1шт.

32

820651C1

ANGLE

- cable guide

1шт.

413-620

BOLT,Hex, 3/8" - 16 x 1-1/4", Gr 5

- hex, 3/8 NC x 1-1/4 inch, guide angle, pulley bushing and washer to pulley support angle

1шт.

495-81026

WASHER,21/32" x 1 1/2" x .060"

- flat, 21/32 x 1-1/2 x 3/64 inch

1шт.

495-21044

WASHER,3/8"

(flat, 7/16 x 1 x 5/64 inch) 3/8"

1шт.

495-81142

WASHER,0.41" ID x 1.5" OD x 0.06" Thk

- flat, 13/32 x 1-1/2 x 1/16 inch

1шт.

425-106

NUT,3/8"-16, Cl 5

1шт.

492-11038

LOCK WASHER,3/8"

1шт.

33

822388C1

CABLE

- apron control, cut to 237 inch length

1шт.

34

822385C1

CABLE

- beater control, cut to 260 inch length

1шт.

413-420

BOLT,Hex, 1/4" - 20 x 1-1/4", Gr 5

Lever pivot Hex, 1/4"-20 x 1 1/4", G5

2шт.

Выбрано товаров: 0