Запчасти Case IH 570 (B-46) - BUNK FEED CONVEYOR TIGHTENER (00) - COMPLETE MACHINE

Схема запчастей Case IH 570 - (B-46) - BUNK FEED CONVEYOR TIGHTENER (00) - COMPLETE MACHINE
FIT
1:1
100%

Артикул

Название

Примечание

Количество

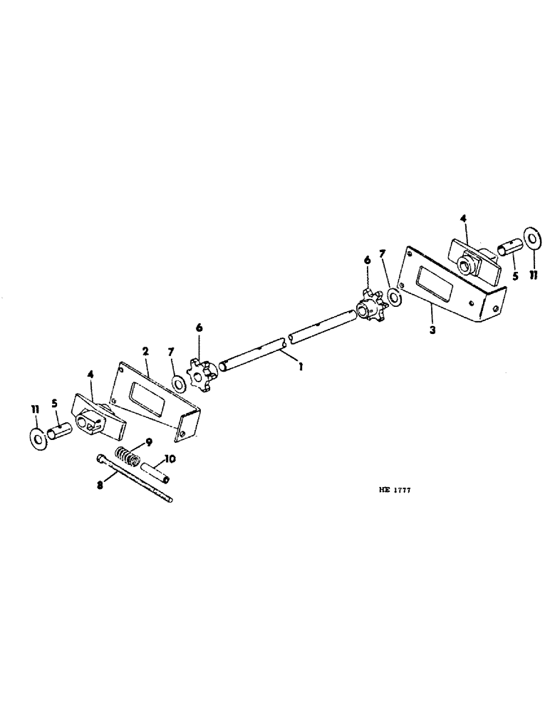
1

820060C1

SHAFT

conveyor

1шт.

103409

PIN, SPLIT (COTTER),3/16" x 1 1/2"

2шт.

2

820061C1

SUPPORT

tightener rear

1шт.

3

820062C1

SUPPORT

tightener front

1шт.

4

820063C11

BEARING

ASSY, conveyor shaft, includes 1-594973R1, bushing

2шт.

109461

LUBE NIPPLE,1/8"-27 x .66 lg

NIPPLE, LUBE, 1/8"-27 x .66 lg

2шт.

22181R1

WASHER, 1.031 x 2.500 x .056

4шт.

5

594973R1

BUSHING, bearing

2шт.

6

594964R1

SPROCKET ASSY.

SPROCKET, 6T conveyor

2шт.

617944R1

PIN,3/8" x 1 3/4", Coiled

2шт.

7

609836R1

WASHER

1.031 x 1.750 x .056

4шт.

8

592995R1

BOLT,Hex, 7/16" x 8 3/4"

conveyor shaft tightener

2шт.

271501

SOCKET

NUT, 7/16-14 hex

4шт.

21331R1

WASHER

.468 x 1.250 x .056

2шт.

9

367254R2

SPRING

tightener

2шт.

10

820085C1

BUSHING

tightener

2шт.

11

22181R1

WASHER, 1.031 x 2.500 x .056

4шт.

Выбрано товаров: 17