Запчасти Case IH 580 (B-19) - WIDESPREAD (00) - COMPLETE MACHINE

Схема запчастей Case IH 580 - (B-19) - WIDESPREAD (00) - COMPLETE MACHINE
FIT
1:1
100%

Артикул

Название

Примечание

Количество

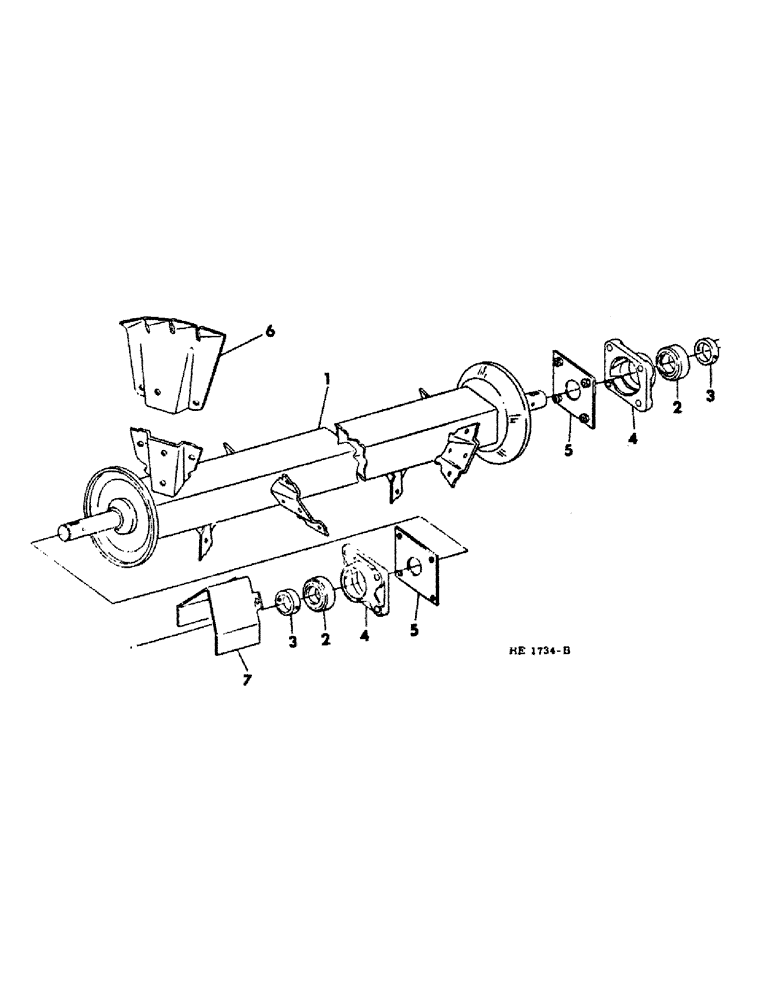
1

820839C1

ROTATOR

WIDESPREAD ASSY

1шт.

2

1414239R91

BALL BEARING

widespread shaft

2шт.

3

COLLAR ASSY, bearing locking, includes 1-139042 screw for service order 1-517645R11 collar assy

2шт.

139042

BAR

5/16-24 x 5/16 hdls hex soc cup pt set

2шт.

3

517645R11

COLLAR

ASSY, bearing locking, includes 1-102592, screw

2шт.

102592

SET SCREW,Hex Skt, 3/8" - 16 x 3/8"

SCREW, 3/8-16 x 3/8 cup pt set

2шт.

4

820356C1

HOUSING

bearing

2шт.

86636814

LUBE NIPPLE,1/4"-28 x .52" lg

FITTING, 1/4-28 str lub

2шт.

180124

BOLT,Hex, 3/8" - 16 x 1 1/4", Gr 5

3/8-16 x 1-1/4 hex-hd

8шт.

120382

LOCK WASHER,Helical Spring, 3/8"

WASHER, LOCK, 3/8"

8шт.

5

820363C1

BAR

ASSY, bearing housing support

2шт.

22482R1

WASHER

1.406 x 2.250 x .105

4шт.

618573R1

PIN,1/4" x 2 1/4", Coiled

1шт.

6

820471C1

PLATE

widespread LH

10шт.

6

820472C1

PLATE

widespread RH

10шт.

455000

BOLT,Hex, 1/2" - 13 x 1 1/4", Gr 8

1/2-13 x 1-1/4 type 8 zinc

40шт.

21330R1

NUT,1/2"-13, G8

1/2-13 hex type 8 zinc

40шт.

120384

WASHER,1/2"

LOCK, 1/2"

40шт.

7

821797C1

SHIELD

widespread shaft LH

1шт.

Выбрано товаров: 19