Запчасти Case IH 595 (9-12) - MAIN DRIVE SHAFT FRONT, 1000 RPM (09) - CHASSIS/ATTACHMENTS

Схема запчастей Case IH 595 - (9-12) - MAIN DRIVE SHAFT FRONT, 1000 RPM (09) - CHASSIS/ATTACHMENTS
FIT
1:1
100%

Артикул

Название

Примечание

Количество

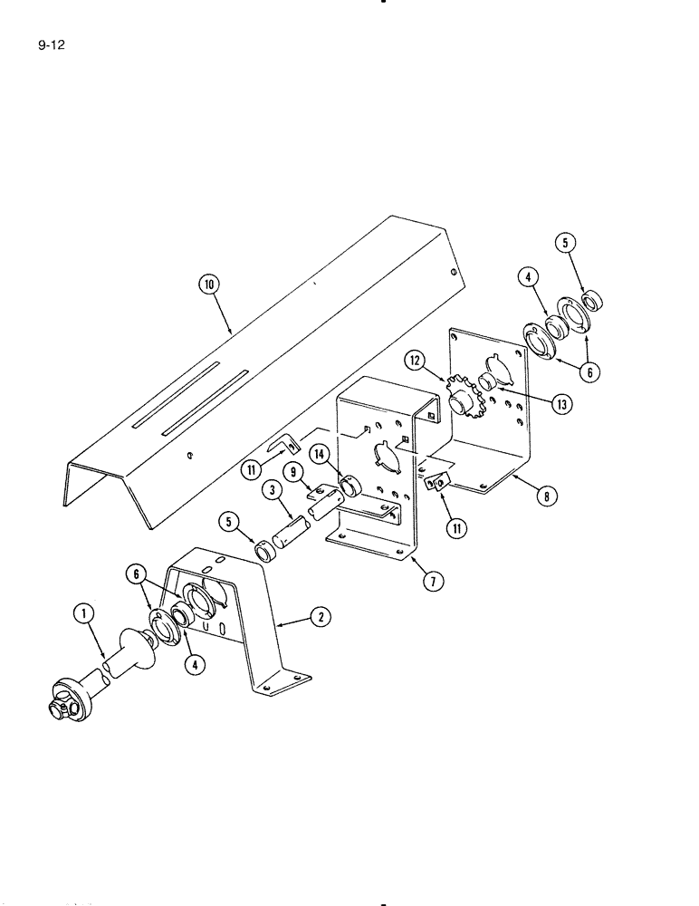
1

REF

INSTRUCTION

JOINT ASSEMBLY - PTO universal (See page 9-87)

1шт.

2

1960545C1

SUPPORT

ASSEMBLY - drive shaft front bearing

1шт.

64553C2

PRODUCT GRAPHIC

DECAL - warning (Not shown, see page 9-93 or 9-95)

1шт.

413-820

BOLT,Hex, 1/2" - 13 x 1-1/4", Gr 5

- hex, 1/2 NC x 1-1/4 inch

4шт.

80679

LOCK WASHER,1/20.507 CST ZND

WASHER, LOCK, 1/2"

4шт.

425-108

NUT,1/2" - 13, Gr 5

NUT, , Hex 1/2"-13, G5

4шт.

3

822139C1

SHAFT

- front main drive

1шт.

495-81192

WASHER,1.16" ID x 2" OD x 0.12" Thk

- flat, 1-5/32 x 2 x 7/64 inch

1шт.

138-2029

PIN,7.92mm OD x 63.5mm L, Coiled

1шт.

126-124

WOODRUFF KEY,#15, 1/4" x 1", HT

1шт.

4

455959R92

BEARING ASSY,28.57mm ID x 62mm OD x 18mm W

- front shaft

2шт.

5

557115R11

COLLAR

COLLAR ASSEMBLY - bearing locking

2шт.

83-1315

SET SCREW,Hex Soc, 5/16"-18 x 5/16"

SCREW - hex socket set, 5/16 NC x 5/16 inch

2шт.

6

565631R1

BEARING CAP,2.441" ID x 4.4375" OD x 0.34375"

- front and rear bearing

4шт.

434-616

CARRIAGE BOLT,Sht Sq Nk, 3/8" - 16 x 1", Gr 5

BOLT - round head square neck, 3/8 NC x 1 inch

6шт.

492-11038

LOCK WASHER,3/8"

6шт.

425-106

NUT,3/8"-16, Cl 5

6шт.

7

822127C1

SUPPORT

- shaft rear bearing, front

1шт.

8

822126C1

SUPPORT

- shaft rear bearing, rear

1шт.

413-620

BOLT,Hex, 3/8" - 16 x 1-1/4", Gr 5

- hex, 3/8 NC x 1-1/4 inch

2шт.

413-616

BOLT,Hex, 3/8" - 16 x 1", Gr 5

- hex, 3/8 NC x 1 inch

2шт.

492-11038

LOCK WASHER,3/8"

4шт.

425-106

NUT,3/8"-16, Cl 5

4шт.

9

822124C1

ANGLE

- front support

1шт.

413-616

BOLT,Hex, 3/8" - 16 x 1", Gr 5

- hex, 3/8 NC x 1 inch

4шт.

492-11038

LOCK WASHER,3/8"

4шт.

425-106

NUT,3/8"-16, Cl 5

4шт.

10

822219C1

SHIELD

- front drive shaft (Replaces 822149C91)

1шт.

413-612

BOLT,Hex, 3/8" - 16 x 3/4", Gr 5

4шт.

495-61041

WASHER,10.31mm ID x 25.4mm OD x 1.6mm Thk

(Front bearing support) 3/8" x 1" x .063"

2шт.

492-11038

LOCK WASHER,3/8"

4шт.

425-106

NUT,3/8"-16, Cl 5

4шт.

11

822327C1

ANGLE

- shield support

2шт.

413-616

BOLT,Hex, 3/8" - 16 x 1", Gr 5

- round head square neck, 3/8 NC x 1 inch

2шт.

492-11038

LOCK WASHER,3/8"

2шт.

425-106

NUT,3/8"-16, Cl 5

2шт.

12

822140C1

SPROCKET ASSY.

SPROCKET ASSEMBLY - 18 tooth, main drive

1шт.

Q26

KEY,1/4" Sq x 1 1/4", Par

- square, parallel, 1/4 x 1-1/4 inch

1шт.

495-81191

WASHER,1 5/32" x 2" x .060"

- flat, 1-9/16 x 2 x 3/64 inch

3шт.

432-1640

COTTER PIN,1/4" x 2 1/2"

Pin, Split (Cotter), 1/4" x 2 1/2"

1шт.

13

822147C1

SPACER

- sprocket, short

1шт.

14

822469C1

SPACER

COLLAR - sprocket locking

1шт.

83-1316

SET SCREW,Hex Soc, 5/16"-18 x 3/8"

SCREW - hex socket set, 5/16 NC x 3/8 inch

2шт.

Выбрано товаров: 43