Запчасти Case IH 595 (9-78) - APRON AND BEATER CONTROLS (09) - CHASSIS/ATTACHMENTS

Схема запчастей Case IH 595 - (9-78) - APRON AND BEATER CONTROLS (09) - CHASSIS/ATTACHMENTS
FIT
1:1
100%

Артикул

Название

Примечание

Количество

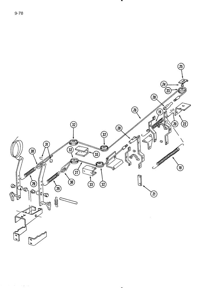
19

57288D

SPRING

- control lever return (Continued from previous page)

2шт.

20

822534C1

HOOK

- spring connecting (Replaces 587368R91)

1шт.

21

822402C1

BAR

- return spring support

1шт.

434-612

CARRIAGE BOLT,Sht Sq Nk, 3/8" - 16 x 3/4", Gr 5

BOLT - round head square neck, 3/8 NC x 3/4 inch

2шт.

492-11038

LOCK WASHER,3/8"

2шт.

425-106

NUT,3/8"-16, Cl 5

1шт.

22

821052C2

ANGLE

- pulley support, rear

1шт.

23

820652C1

PULLEY

- widespread cable, rear

1шт.

24

561277R1

SPACER,5/8" Tube x 1/2"

BUSHING - rear pulley

1шт.

25

820651C1

ANGLE

- cable guide

1шт.

413-624

BOLT,Hex, 3/8" - 16 x 1-1/2", Gr 5

- hex, 3/8 NC x 1-1/2 inch

1шт.

495-21044

WASHER,3/8"

(flat, 7/16 x 1 x 1/16 inch) 3/8"

1шт.

495-81026

WASHER,21/32" x 1 1/2" x .060"

- flat, 21/32 x 1-1/2 x 3/64 inch

1шт.

495-81142

WASHER,0.41" ID x 1.5" OD x 0.06" Thk

- flat, 13/32 x 1-1/2 x 3/64 inch

1шт.

492-11038

LOCK WASHER,3/8"

1шт.

425-106

NUT,3/8"-16, Cl 5

1шт.

26

822388C1

CABLE

ASSEMBLY - beater control, 249-3/4 inch (575 spreader)

1шт.

26

822386C1

CABLE

ASSEMBLY - beater control, 291-3/4 inch (595 spreader)

1шт.

425-154

JAM NUT,Jam, 1/4"-28, G5

- hex, jam, 1/4 inch NF

1шт.

27

822387C1

CABLE

ASSEMBLY - apron control, 227-3/4 inch (575 spreader)

1шт.

27

822385C1

CABLE

ASSEMBLY - apron control, 269-3/4 inch (595 spreader)

1шт.

425-154

JAM NUT,Jam, 1/4"-28, G5

- hex, jam, 1/4 inch NF

1шт.

28

104036

ADJUSTABLE CLEVIS,1/4"-28 x 2"

CLEVIS - cable end, 1/4 inch NF

2шт.

138083

PIN

- clevis, 1/4 x 25/32 inch

2шт.

432-48

COTTER PIN,1/16" x 1/2"

PIN, SPLIT (COTTER), 1/16" x 1/2"

2шт.

29

357832R1

SPRING

- cable tension

2шт.

30

457796R1

EYE

- control cable

2шт.

31

480472R1

CLIP

CLAMP - control cable (Replaces 457797R1)

4шт.

32

820631C1

PULLEY

- cable guide

4шт.

495-81099

WASHER,0.2" ID x 0.5" OD x 0.06" Thk

- flat, 13/64 x 1/2 x 1/16 inch

6шт.

23668R1

CLEVIS PIN,3/16" x 1 3/4"

PIN - clevis, 3/16 x 1-3/4 inch

2шт.

432-48

COTTER PIN,1/16" x 1/2"

PIN, SPLIT (COTTER), 1/16" x 1/2"

2шт.

33

820336C1

CHANNEL

- front pulley mounting

2шт.

432-1232

COTTER PIN,3/16" OD x 2" L

3/16" x 2"

2шт.

434-512

CARRIAGE BOLT,Sht Sq Nk, 5/16" - 18 x 3/4", Gr 5

BOLT - round head square neck, 5/16 NC x 3/4 inch

4шт.

492-11031

LOCK WASHER,5/16"

WASHER, LOCK, 5/16"

4шт.

425-105

NUT,5/16"-18, G5

- hex, 5/16 inch NC

4шт.

Выбрано товаров: 37