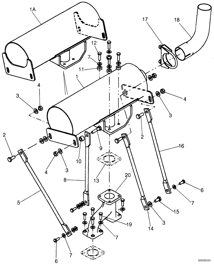
Запчасти Case IH 410 (02-03) - EXHAUST SYSTEM, IF USED (SEE REF 5, 8) (02) - ENGINE

Схема запчастей Case IH 410 - (02-03) - EXHAUST SYSTEM, IF USED (SEE REF 5, 8) (02) - ENGINE
6
20
17
4
3
13
2
3
7
9
4
10
2
15
12
1a
1
3
4
3
19
18
7
7
7
14
16
11
5
8
6
FIT
1:1
100%

Артикул

Название

Примечание

Количество

1

87037372

MUFFLER

1шт.

1a

87462107

MUFFLER

Replaces 87037372

1шт.

2

43139

BOLT,M10 x 1.5 x 25mm, Cl 8.8

3шт.

3

140045

BELLEVILLE WASHER,M10 Bolt Size x 22mm OD x 1.6mm Thk

7шт.

4

825-1410

NUT,M10, Cl 8

4шт.

5

87046586

ROD

Muffler Support; 388 mm; Center To Center of Holes; Replaced by 87356847 (452 mm Center To Center of Holes), See Figure 02-03A, Ref 17

1шт.

6

120104

BOLT,Hex, M8 x 1.25 x 20mm, Cl 8.8

3шт.

7

322358

BELLEVILLE WASHER,M8 Bolt Size x 18mm OD x 1.4mm Thk

15шт.

8

87046585

ROD

Muffler Support; 322.5 mm; Center To Center of Holes; Replaced by 87356846 (393.3 mm Center To Center of Holes), See Figure 02-03A, Ref 16

1шт.

9

120068

BOLT,Hex, M10 x 40mm, Cl 8.8

1шт.

10

87042897

SPACER

1шт.

11

86633393

SPACER

11/32 ID X 3/4 OD X 5/16 Thk; If Used

4шт.

11

87606607

SPACER,8.73mm ID x 20.05mm OD x 7.9mm L

Muffler Spacer, Auto Coat; If Used

4шт.

12

614-8030

BOLT,Hex, M8 x 1.25 x 30mm, Cl 8.8, Full Thd

4шт.

13

SBA314990013

GASKET

Exhaust

1шт.

14

87046588

ROD

Muffler Support

1шт.

15

43138

BOLT,Hex, M10 x 1.5 x 20mm, Cl 8.8

1шт.

16

87046587

ROD

Muffler Support

1шт.

17

A13240

CLAMP,2-5/8" ID

1-5/16 Radius

1шт.

17

87461995

CLAMP,68mm ID, Muffler

34 mm Radius; Replaces A13240

1шт.

18

87045237

EXHAUST SYSTEM PIPE,57.20 mm OD x 146, 170 mm L

Exhaust

1шт.

19

43127

BOLT,Hex, M8 x 1.25 x 25mm, Cl 8.8

6шт.

20

86614557

MANIFOLD

Exhaust

1шт.

Выбрано товаров: 23