Запчасти Case IH 410 (02-06) - ENGINE - MOUNTING (02) - ENGINE

Схема запчастей Case IH 410 - (02-06) - ENGINE - MOUNTING (02) - ENGINE
9
15
16
8
6
10
4
14
21
9
13
12
18
19
7
3
5
17
2
10
1
13
20
11
FIT
1:1
100%

Артикул

Название

Примечание

Количество

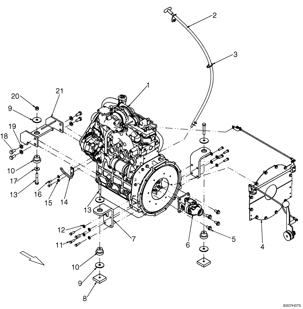
1

87393132

ENGINE

Engine, ISM 2.2L Tier 3; Incl Figures 02-09 - 02-10, 02-12 - 02-22, 03-03, 03-04, 04-01 - 04-03

1шт.

1

SBA133735R

REMAN-REPLACEMENT EN

ISM 2.2L Teir 3

1шт.

1

SBA133735C

Return Number

CORE-ENGINE

1шт.

2

REF

INSTRUCTION

See Fig. 02-07

1шт.

3

87000312

CABLE TIE,4.8mm W x 203.2mm OAL, Nylon

CABLE STRAP

1шт.

4

REF

INSTRUCTION

See Fig. 03-02

1шт.

5

9804266

BOLT,Hex, M12 x 25mm, Cl 8.8, Full Thd

4шт.

6

87446892

JOINT ASSY.

Pump Drive

1шт.

7

87438293

BRACKET

Front Engine Mount

2шт.

8

87441050

PLATE

Plate Nut

2шт.

9

87040707

WASHER,0.53" ID x 2.25" OD x 0.18" Thk

Washer

5шт.

10

D137185

MOUNTING PARTS

Isolation Mount

3шт.

11

88011

BOLT,Hex, 3/8" - 16 x 1 1/4", Gr 5

8шт.

12

86625241

WASHER,0.41" ID x 0.81" OD x 0.09" Thk

8шт.

13

87339

BOLT,Hex, 1/2" - 13 x 3", Gr 5

3шт.

14

86550180

SUPPORT

1шт.

15

322358

BELLEVILLE WASHER,M8 Bolt Size x 18mm OD x 1.4mm Thk

2шт.

16

120104

BOLT,Hex, M8 x 1.25 x 20mm, Cl 8.8

2шт.

17

80700

WASHER,0.56" ID x 1.38" OD x 0.11" Thk

1шт.

18

11422324

BOLT,Hex, M14 x 1.5 x 30mm, Cl 8.8

4шт.

19

87016615

WASHER,15.3mm ID x 28.5mm OD x 3mm Thk

4шт.

20

88871

NUT,1/2"-13, GC

1шт.

21

87438289

ENGINE MOUNT

Rear Engine Mount

1шт.

Выбрано товаров: 0