Запчасти Case IH 420 (02-05) - ENGINE - MOUNTING (02) - ENGINE

Схема запчастей Case IH 420 - (02-05) - ENGINE - MOUNTING (02) - ENGINE
5
3
10
4
17
3
9
13
14
12
6
4
11
15
18
1
2
7
8
19
16
20
2
FIT
1:1
100%

Артикул

Название

Примечание

Количество

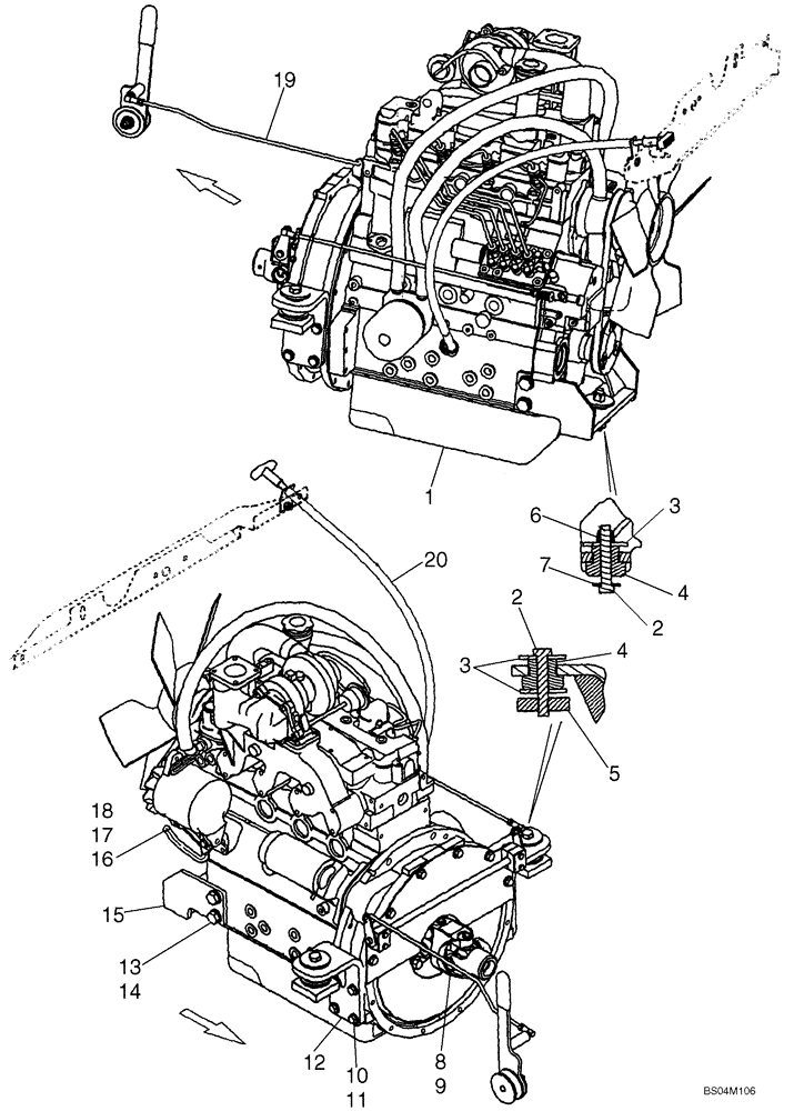
1

87043513

ENGINE

1шт.

1a

SBA133696

ENGINE

Long Block Service Engine; Does Not Include Flywheel; Damper Disk; Starter; Cooling Fan; Fan Belt; Fan Pulley; Fan Holder; Alternator; Stay; Adjusting Plate; Stop Solenoid; Connector, Glow Plug; Filler Pipe; Exhaust Manifold; Gasket, Exhaust Manifold

1шт.

SBA133696ER

REMAN-REPLACEMENT EN

420 BSN N7M466710, 420CT BSN N7M455401, Both 4 Cyl., NA, Tier 2, New Replacement Engine, N.A. Only

1шт.

SBA133696EPAC

Return Number, For N.A. Only

CORE-EPA ENGINE

1шт.

1a

SBA133696R

REMAN-REPLACEMENT EN

Remanufactured, for N.A. Only

1шт.

1a

SBA133696C

CORE-REPLACEMENT ENG

Return Number, for N.A. Only

1шт.

2

87339

BOLT,Hex, 1/2" - 13 x 3", Gr 5

3шт.

3

495-81239

WASHER,17/32" x 2 1/4" x .180"

5шт.

4

D137185

MOUNTING PARTS

3шт.

5

87441050

PLATE

2шт.

6

88871

NUT,1/2"-13, GC

1шт.

7

80700

WASHER,0.56" ID x 1.38" OD x 0.11" Thk

1шт.

8

9804266

BOLT,Hex, M12 x 25mm, Cl 8.8, Full Thd

4шт.

9

87446892

JOINT ASSY.

Pump Drive

1шт.

10

496-21041

WASHER,13/32" x 13/16" x .089", HDN

8шт.

11

88011

BOLT,Hex, 3/8" - 16 x 1 1/4", Gr 5

8шт.

12

87438293

BRACKET

Front Engine Mount

2шт.

13

87016615

WASHER,15.3mm ID x 28.5mm OD x 3mm Thk

4шт.

14

11422324

BOLT,Hex, M14 x 1.5 x 30mm, Cl 8.8

4шт.

15

87438289

ENGINE MOUNT

Rear

1шт.

16

322358

BELLEVILLE WASHER,M8 Bolt Size x 18mm OD x 1.4mm Thk

2шт.

17

120104

BOLT,Hex, M8 x 1.25 x 20mm, Cl 8.8

2шт.

18

86550180

SUPPORT

Rod

1шт.

19

REF

INSTRUCTION

Throttle; See Figure 03-02

1шт.

20

REF

INSTRUCTION

Dipstick Assy; See Figure 02-06

1шт.

Выбрано товаров: 25