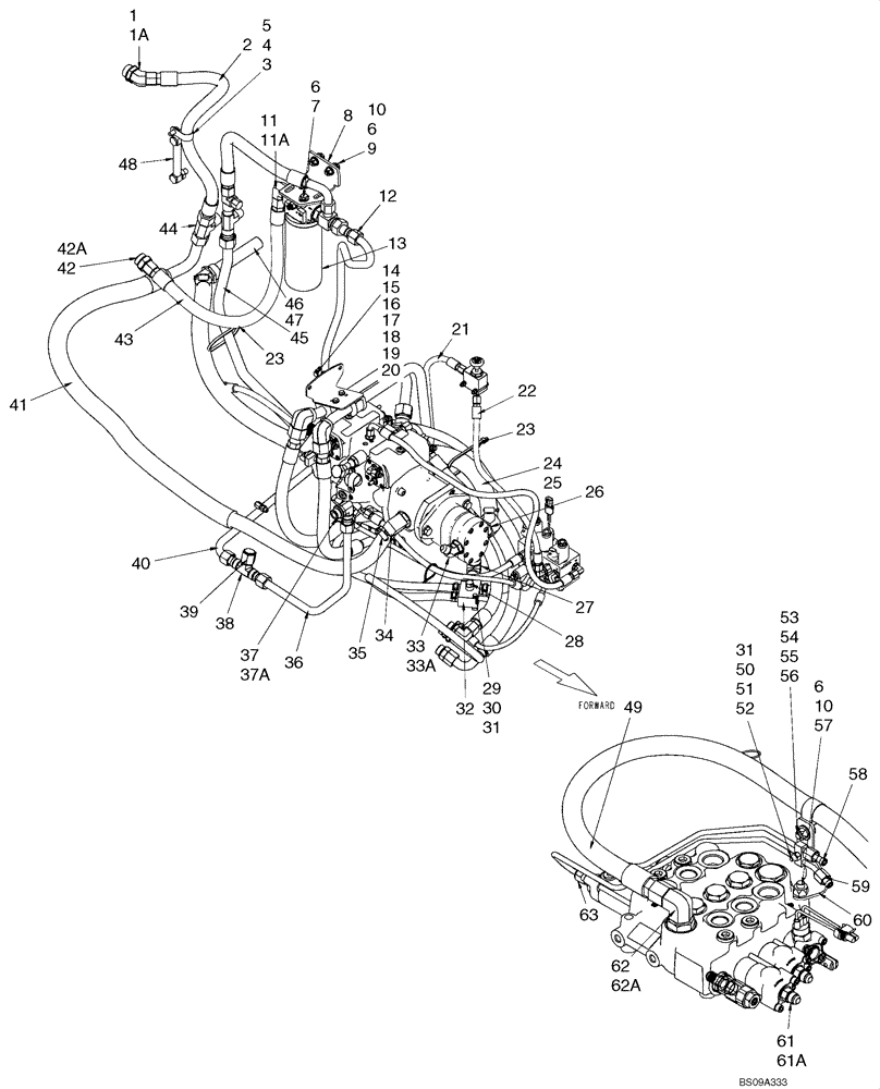
Запчасти Case IH 420 (06-10A) - HYDROSTATICS - SUPPLY AND RETURN (420 WITH PILOT CONTROL) (06) - POWER TRAIN

Схема запчастей Case IH 420 - (06-10A) - HYDROSTATICS - SUPPLY AND RETURN (420 WITH PILOT CONTROL) (06) - POWER TRAIN
17
61
62a
13
57
49
4
10
25
31
10
52
60
21
44
48
33a
55
53
34
2
1
1a
62
54
40
26
30
63
31
43
6
11
22
23
29
20
33
12
27
58
5
56
39
28
37a
6
6
35
19
23
41
47
37
15
50
9
16
14
11a
32
24
7
59
3
46
8
38
45
51
18
42a
42
61a
36
FIT
1:1
100%

Артикул

Название

Примечание

Количество

1

87657980

ELBOW

Elbow, 37FL 45 ADJ 3/4 X 1.0 Tube; Incl 1A

1шт.

1a

167268

O-RING,0.116" Thk x 1.171" ID, -916, Cl 6, 90 Duro

1шт.

2

87653980

HOSE,19.05mm ID x 810mm L, SAE 100R4

Upper Cooler

1шт.

3

86639001

CLAMP,30.2mm, Coat, 11.9mm Bolt Hole, P Type

1шт.

4

140045

BELLEVILLE WASHER,M10 Bolt Size x 22mm OD x 1.6mm Thk

1шт.

5

43138

BOLT,Hex, M10 x 1.5 x 20mm, Cl 8.8

1шт.

6

86639325

WASHER,10.8mm ID x 24.5mm OD x 3mm Thk

7шт.

7

43139

BOLT,M10 x 1.5 x 25mm, Cl 8.8

2шт.

8

87020901

BRACKET, SUPPORTING

Filter Mounting- Tan

1шт.

9

9706704

BOLT,Hex, M10 x 1.5 x 41.58mm, Cl 8.8

2шт.

10

86512554

NUT,M10 x 1.5, Cl 10

3шт.

11

570024

ELBOW,90 Degree, 1 1/16"-12, 37 Degree x 1 5/16"-12, O-Ring

1шт.

11a

167268

O-RING,0.116" Thk x 1.171" ID, -916, Cl 6, 90 Duro

1шт.

12

87659248

Oil Cooler Bypass; See Fig 06-20A

1шт.

13

84475949

HYDRAULIC OIL FILTER

Main

1шт.

14

43128

BOLT,M8 x 1.25 x 30mm, Cl 8.8

1шт.

15

86624184

WASHER,9mm ID x 16mm OD x 1.6mm Thk

1шт.

16

87042897

SPACER

1шт.

17

87301359

CLAMP,28.6mm, 10.3mm Bolt Hole, P Type

1шт.

18

87445136

HYD TUBE,18.9 mm ID x 29 mm OD x 21, 2 mm L

Hyd Tube

1шт.

19

229197A1

SQUARE NUT,M8 x 1.25, Cl 8

Sq M8-1.25 Cl 8 Znd

1шт.

20

144121

UNION,1-1/16" - 12 JIC x 1-1/16" - 12 JIC

1шт.

21

87707136

HOSE,9.53mm ID x 1220mm L

Dump Valve Supply

1шт.

22

87707137

HOSE,9.53mm ID x 620mm L

Dump Valve Drain

1шт.

23

L18331

CABLE TIE,375.9mm L, Nylon, Black

CABLE STRAP

3шт.

24

87396043

HOSE,31.75mm ID x 1560mm L, SAE 100R4

Loader Pump Supply

1шт.

25

87039085

HOSE CLAMP,32mm - 54mm

2шт.

26

87033824

FITTING,45 Degree, 1 1/4" Hose x 1 5/16"-12 ORB Beaded

1шт.

27

86050288

ELBOW,90 Degree, 1-5/16" - 12 JIC x 1-5/16" - 12, 37 Degrees Fem Sw

1шт.

28

76349

PLUG,9/16" - 18 ORB

1шт.

29

86977790

BOLT,Hex, M6 x 45mm, Cl 8.8

2шт.

30

87404992

SQUARE NUT,M6 x 1.0, Cl 8

Sq M6-1.0 Cl 8 Znd

2шт.

31

86588450

WASHER,6.6mm ID x 12mm OD x 1.6mm Thk

3шт.

32

87437351

MANIFOLD

Return Oil

1шт.

33

100197

ELBOW,45 Degree, 7/8" - 14 JIC x 1-1/16" - 12 ORB

Incl 33A

1шт.

33a

167266

O-RING,0.116" Thk x 0.924" ID, -912, Cl 6, 90 Duro

1шт.

34

87393628

ADAPTER,1" Hose Barb x 1-5/16" - 12 ORB

1шт.

35

86536660

HOSE CLAMP,25mm - 44mm

1шт.

36

87445137

HYD TUBE,19.05 mm OD x 306.7, 187.6 mm L

Valve Out To Filter

1шт.

37

322894

90 ELBOW,1-1/16" - 12 JIC x 1-1/16" - 12 ORB

Incl 37A

1шт.

37a

167266

O-RING,0.116" Thk x 0.924" ID, -912, Cl 6, 90 Duro

1шт.

38

15694

TEE,1 1/16"-12 37 Degree

1шт.

39

219606

CAP,1-1/16" - 12 JIC

1шт.

40

87445138

HYD TUBE,19.05 mm OD

Valve Out To Filter

1шт.

41

87583080

HOSE,25.4mm ID x 1875mm L, SAE 100R4

Charge Suction

1шт.

42

233705

HYD CONNECTOR,1-5/16" - 12 ORB x 1-1/16" - 12 JIC

Incl 42A

1шт.

42a

167268

O-RING,0.116" Thk x 1.171" ID, -916, Cl 6, 90 Duro

1шт.

43

87720240

HOSE,19.05mm ID x 760mm L

Lower Cooler

1шт.

44

9790547

TEE,1 5/16"-12, 37 Degree x 1"-11 1/2, NPTF Br

1шт.

45

87584058

HYD TUBE,22.92 mm ID x 25.4 mm OD x 1116.1, 307.7 mm L

Case Drain

1шт.

46

H151399

FILTER STRAINER

Filter Suction Line

1шт.

47

87033823

FITTING,1/4" Hose x 1/8" NPTF, Fem, Barbed

1шт.

48

87374752

GAUGE

Liquid Level Gauge

1шт.

49

87547070

HOSE,15.88mm ID x 1000mm L

Valve Supply

1шт.

50

87030561

NUT,M6 x 1, Cl 8

1шт.

51

608089

CLAMP

Double Clamp

1шт.

52

80120101

BOLT

M6 x 30 Fl Cl 8.8 Znd

1шт.

53

9827902

CLAMP,25.4mm, Coat, 10.3mm Bolt Hole, P Type

1шт.

54

9628098

NUT,M8 x 1.25, Cl 10

1шт.

55

86625263

WASHER,9mm ID x 20mm OD x 1.6mm Thk

2шт.

56

120104

BOLT,Hex, M8 x 1.25 x 20mm, Cl 8.8

1шт.

57

43144

BOLT,Hex, M10 x 70mm, Cl 8.8

1шт.

58

87563969

HYD TUBE,6.35 mm OD

Pilot

1шт.

59

87563968

HYD TUBE,6.35 mm OD

Pilot

1шт.

60

87678506

BRACKET

Hose Support

1шт.

61

84384

HYD CONNECTOR,9/16"-18, 37 Degree x 7/16"-20, O-Ring

Incl 61A

2шт.

61a

165202

O-RING,0.072" Thk x 0.351" ID, -904, Cl 6, 90 Duro

2шт.

62

84570

90 ELBOW,7/8" - 14 JIC x 1-1/16" - 12 ORB

Incl 62A

1шт.

62a

167266

O-RING,0.116" Thk x 0.924" ID, -912, Cl 6, 90 Duro

1шт.

63

87575684

HYD CONNECTOR

2шт.

Выбрано товаров: 70