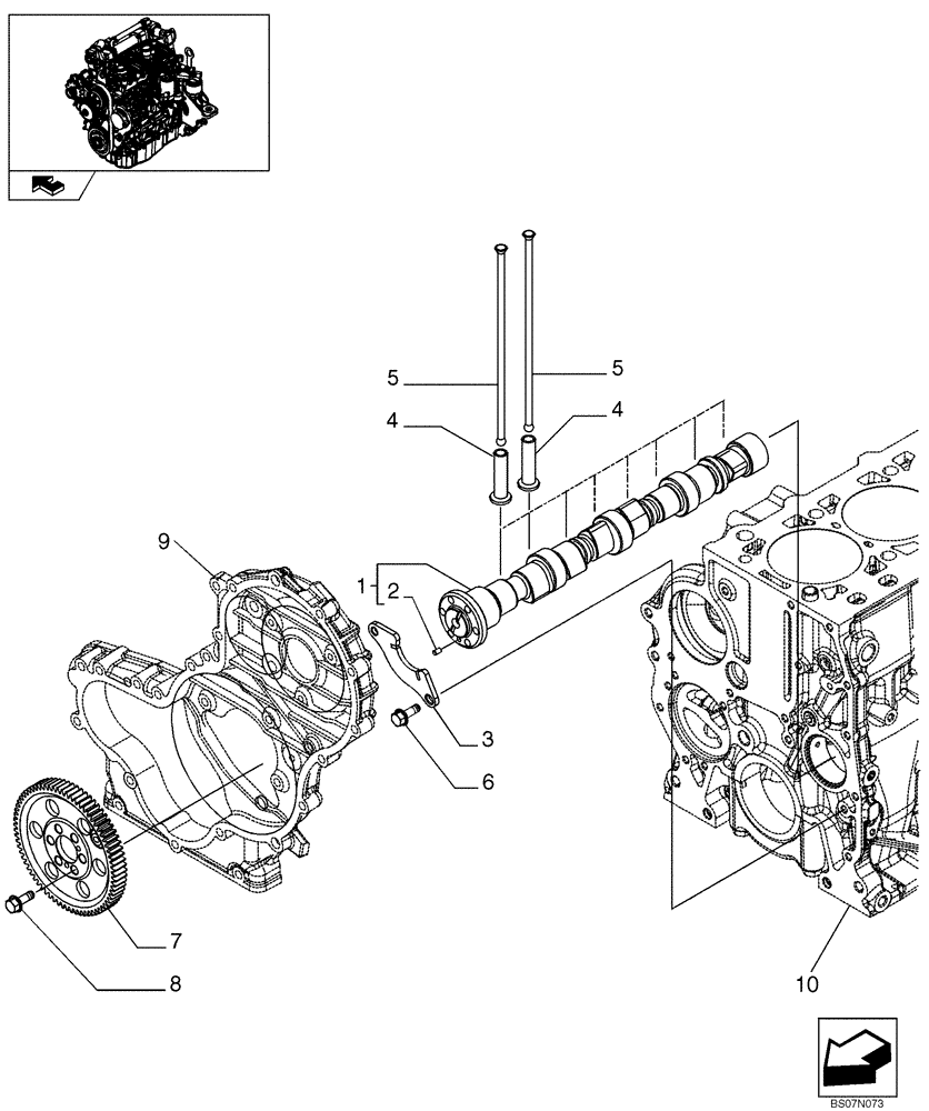
Запчасти Case IH 430 (02-27) - CAMSHAFT - TIMING CONTROL (87530652) (02) - ENGINE

Схема запчастей Case IH 430 - (02-27) - CAMSHAFT - TIMING CONTROL (87530652) (02) - ENGINE
10
4
4
1
3
7
9
5
2
5
6
8
FIT
1:1
100%

Артикул

Название

Примечание

Количество

1

504272265

CAMSHAFT

Camshaft Assy

1шт.

1

504272265R

REMAN-CAMSHAFT

430 SKID STEER - SERIES 3, ASN 430 NA N7M479683, Camshaft Assy (1/08-)

1шт.

1

504272265C

Return Number

1шт.

2

10839510

DOWEL,M6 x 9

1шт.

3

4897457

SUPPORT

1шт.

4

98471524

TAPPET

+0,0

8шт.

5

504163240

PUSH ROD

Push Rod

8шт.

6

16673635

BOLT,Hex, M8 x 1.25 x 20mm, Full Thd

2шт.

7

504240396

GEAR

Gear

1шт.

8

16673635

BOLT,Hex, M8 x 1.25 x 20mm, Full Thd

6шт.

9

REF

INSTRUCTION

See Figure 02-13, Engine Block Front Cover

1шт.

10

REF

INSTRUCTION

See Figure 02-11, Cylinder Bock And Related Parts

1шт.

Выбрано товаров: 12