Качественные детали и логистика
Оригинальные и аналоговые запчасти с доставкой по России, Казахстану и Беларуси
©2022 PartSell ООО "Система" ИНН 2463123282 ОГРН 1212400004838
Центральный офис: г. Красноярск, Академика Киренского, д.87, пом.4
Телефон: 8 (800) 777-65-74 Email: zakaz@partsell.ru
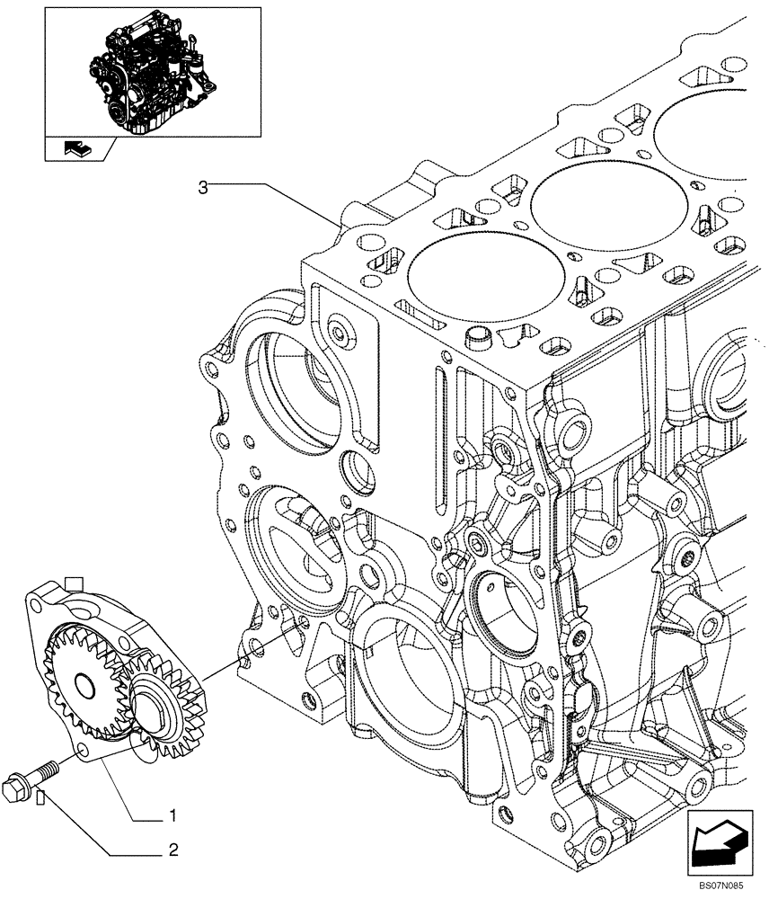
(02-30) - PUMP, ENGINE OIL & RELATED PARTS (87530652)
№
Артикул
Название
Примечание
Количество
1
504241684
ENGINE OIL PUMP
1шт.
2
4794007
SCREW,M22 x 103mm
Screw
3шт.
3
REF
INSTRUCTION
See Figure 02-11, Cylinder Block And Related Parts
Выбрано товаров: 0