Запчасти Case IH 430 (02-39) - DIAGNOSTIC SENSOR (87530652) (02) - ENGINE

Схема запчастей Case IH 430 - (02-39) - DIAGNOSTIC SENSOR (87530652) (02) - ENGINE
6
2
1
8
5
10
4
9
3
11
7
FIT
1:1
100%

Артикул

Название

Примечание

Количество

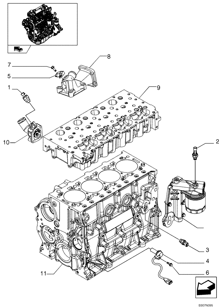
1

2852157

SENSOR

Water

1шт.

2

2852889

PRESSURE SWITCH

1шт.

3

504273290

SENSOR

Water temperature KSB

1шт.

4

500374763

TRANSMITTER

Crankshaft; Speed Sensor

1шт.

5

504088431

SENSOR

Air press. & temperature

1шт.

6

16585625

SCREW,Hex, M6 x 12mm

M6X12 mm

1шт.

7

16585825

SCREW,M6 x 20mm

M6 x 20

1шт.

8

REF

INSTRUCTION

See Figure 02-19, Intake Manifold

1шт.

9

REF

INSTRUCTION

See Figure 02-16, Cylinder Head And Related Parts

1шт.

10

REF

INSTRUCTION

See Figure 02-36, Temperature Control

1шт.

11

REF

INSTRUCTION

See Figure 02-11, Cylinder Block And Related Parts

1шт.

12

REF

INSTRUCTION

See Figure 02-31, Filter Engine Oil

1шт.

Выбрано товаров: 0