Запчасти Case IH 430 (02-03A) - EXHAUST SYSTEM, ASPIRATOR (02) - ENGINE

Схема запчастей Case IH 430 - (02-03A) - EXHAUST SYSTEM, ASPIRATOR (02) - ENGINE
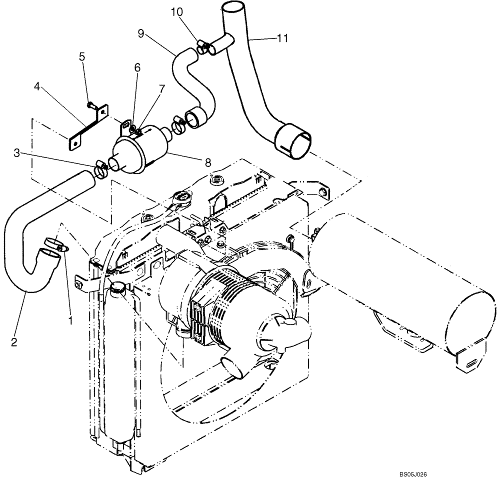
11
3
1
7
5
8
6
2
4
10
9
FIT
1:1
100%

Артикул

Название

Примечание

Количество

1

87051064

INTAKE AIR HOSE,38.00 mm ID, 48.00 mm ID x 275.00, SAE 20R4 CLASS D1

1шт.

2

86624194

HOSE CLAMP,1.81” - 2.75”, Worm Gear

1шт.

3

84674

HOSE CLAMP,33.3mm - 57.1mm, Worm Gear

2шт.

4

87055353

BRACKET

1шт.

5

120104

BOLT,Hex, M8 x 1.25 x 20mm, Cl 8.8

1шт.

6

86625263

WASHER,9mm ID x 20mm OD x 1.6mm Thk

1шт.

7

9628098

NUT,M8 x 1.25, Cl 10

1шт.

8

406089A2

VALVE

Aspirator Check

1шт.

9

87055857

HOSE,28.0 mm ID, 38.0 mm ID x 148.70 mm, SAE 20R4 CLASS D1

1шт.

10

507586

HOSE CLAMP,20.6mm - 44.4mm, Worm Gear

1шт.

11

87052643

EXHAUST SYSTEM PIPE

Tail Pipe; Replaces 87461613

1шт.

Выбрано товаров: 11