Запчасти Case IH 435 (06-09) - PUMP, TANDEM - MOUNTING (06) - POWER TRAIN

Схема запчастей Case IH 435 - (06-09) - PUMP, TANDEM - MOUNTING (06) - POWER TRAIN
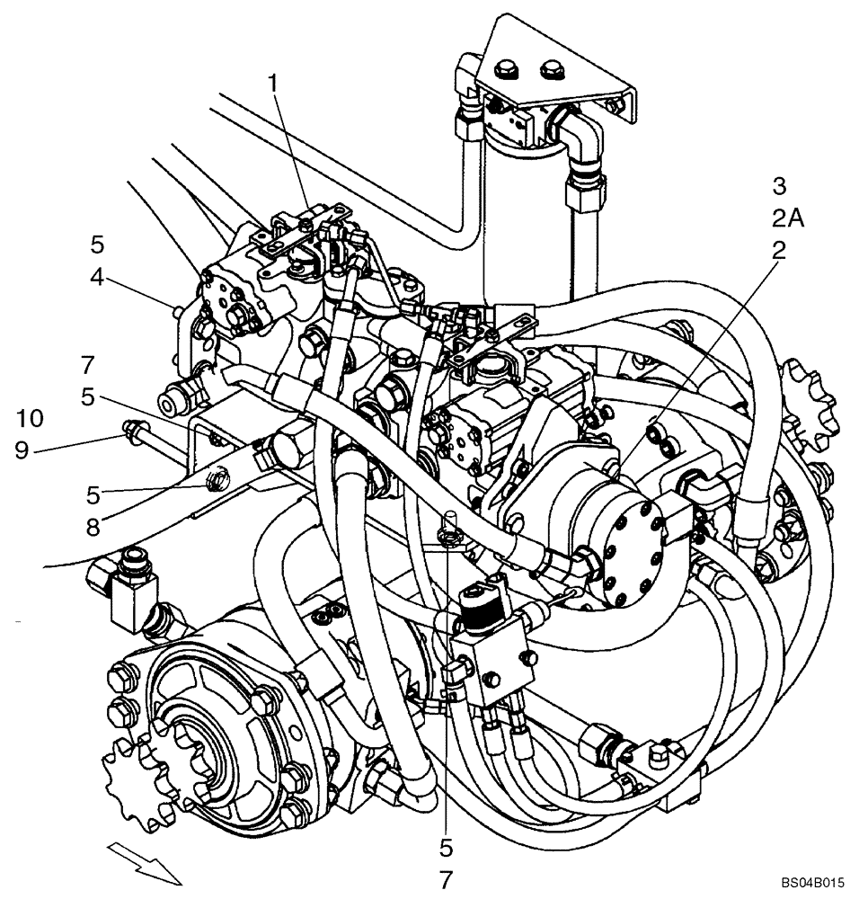
5
3
7
2a
2
8
7
5
9
4
10
1
5
5
FIT
1:1
100%

Артикул

Название

Примечание

Количество

87043498

PUMP

Tandem Pump; Incl. 1, 2, 3

1шт.

87043500R

REMAN-HYD PUMP

Reman for New PN 87043498

1шт.

87043500C

CORE-HYDRAULIC PUMP

Return Number

1шт.

87024695R

435 BSN N7M425032 (3/04-12/07) Reman for New P/N 87043498

REMAN-HYD PUMP

1шт.

87024695C

Return Number

CORE-HYDRAULIC PUMP

1шт.

87043499

PUMP

Tandem Pump; High Flow; If Used Incl. 1, 2A, 3

1шт.

1

87043500

PUMP,46 CC

Tandem Pump; See Figure 06-10 - 06-15

1шт.

1

87043500R

REMAN-HYD PUMP

REMANUFACTURED HYDRAULIC PUMP

1шт.

1

87043500C

CORE-HYDRAULIC PUMP

Return Number, HYDRAULIC PUMP

1шт.

2

87024695

PUMP,36 CC

Gear Pump; See Figure 06-16

1шт.

87024695R

435 BSN N7M425032 (3/04-12/07)

REMAN-HYD PUMP

1шт.

87024695C

Return Number

CORE-HYDRAULIC PUMP

1шт.

2a

87024698

PUMP

Gear Pump; High Flow; If Used; See Figure 06-17

1шт.

3

87013729

O-RING,0.07" Thk x 3.739" ID, -44, Cl 5, 75 Duro

1шт.

4

337563

BOLT,M12 x 1.75 x 47.68mm, Cl 10.9

4шт.

5

86625256

WASHER,13.3mm ID x 28.5mm OD x 4mm Thk

8шт.

6

87020365

SUPPORT ASSY.

Pump

1шт.

7

43260

BOLT,Hex, M12 x 1.75 x 30mm, Cl 10.9, Full Thd

4шт.

8

328048

BOLT,M12 x 1.75 x 147.68mm OAL, Cl 8.8

2шт.

9

9706685

NUT,M12 x 1.75, Cl 8

2шт.

10

140046

BELLEVILLE WASHER,M12 Bolt Size x 27mm OD x 1.8mm Thk

2шт.

Выбрано товаров: 21