Запчасти Case IH 435 (02-06A) - OIL FILL, ENGINE (02) - ENGINE

Схема запчастей Case IH 435 - (02-06A) - OIL FILL, ENGINE (02) - ENGINE
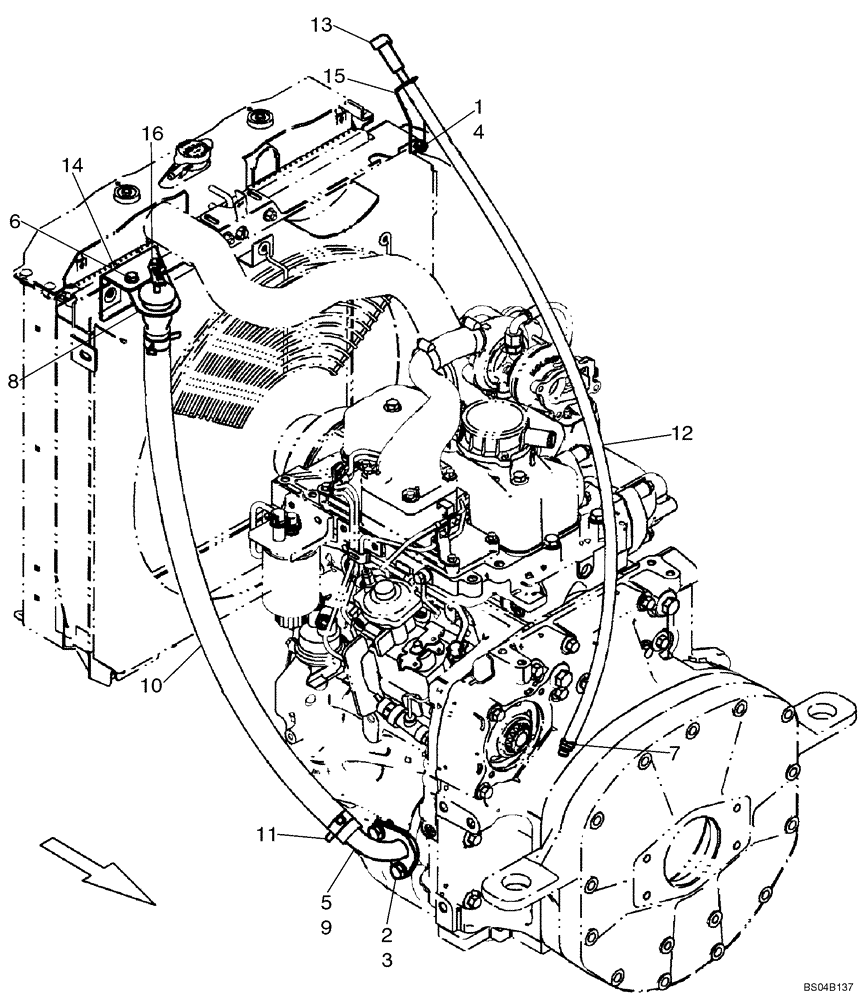
4
8
7
15
5
12
10
9
2
6
1
3
13
11
14
16
FIT
1:1
100%

Артикул

Название

Примечание

Количество

1

16043224

BOLT,Hex, M8 x 16mm, Cl 8.8

1шт.

2

300388

BOLT,Hex, M12 x 1.75 x 25mm, Cl 8.8

2шт.

3

412123

LOCK WASHER,13.1mm ID x 21.1mm OD x 2.55mm Thk

2шт.

4

14048221

NUT,M8 x 1.25, Cl 10

1шт.

5

218-7129

O-Ring; 1-9/16 x 1-3/4

1шт.

6

281-54810

SELF-TAP SCREW,Hex Wash Hd, 5/16"-18 x 5/8"

2шт.

7

87431884

EXTENSION,M12 x 1.5 ORB

Dipstick Tube

1шт.

8

87432260

TUBE

Oil Fill

1шт.

9

87432272

TUBE,63 mm L

Oil Fill

1шт.

10

87432274

HYDRAULIC HOSE,840.00 mm, SAE 100R6, SAE 30R2 TYPE2

Oil Fill

1шт.

11

87432275

CLAMP,31.5mm - 38mm

35 mm

2шт.

12

87433605

HOSE,930.00 mm, SAE J844 TYPE B

Dipstick

1шт.

13

87433606

DIPSTICK

1шт.

14

87434847

ANGLE

Oil Fill Mounting

1шт.

15

87442317

BRACKET

1шт.

16

87445427

FILLER CAP

Oil

1шт.

Выбрано товаров: 16