Качественные детали и логистика
Оригинальные и аналоговые запчасти с доставкой по России, Казахстану и Беларуси
©2022 PartSell ООО "Система" ИНН 2463123282 ОГРН 1212400004838
Центральный офис: г. Красноярск, Академика Киренского, д.87, пом.4
Телефон: 8 (800) 777-65-74 Email: zakaz@partsell.ru
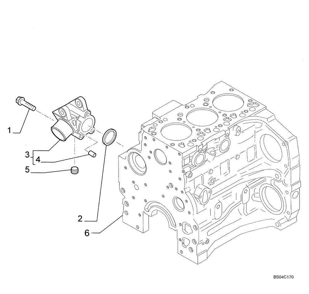
(02-32) - COOLING SYSTEM - ENGINE
№
Артикул
Название
Примечание
Количество
1
4899109
SCREW,Hex, M10 x 1.5 x 80
3шт.
2
2854072
SEALING RING,Square, 5.16mm Thk x 50.17mm ID
1шт.
3
2852145
SUPPORT
4
2852511
PLUG,R3/8" - 18 NPTF, M8, 12.7mm L
M18 x 1.5
5
2830894
DOWEL,.25" OD x .625" L
2шт.
6
REF
INSTRUCTION
See Figure 02-09, 02-10, Cylinder Block
Выбрано товаров: 0