Качественные детали и логистика
Оригинальные и аналоговые запчасти с доставкой по России, Казахстану и Беларуси
©2022 PartSell ООО "Система" ИНН 2463123282 ОГРН 1212400004838
Центральный офис: г. Красноярск, Академика Киренского, д.87, пом.4
Телефон: 8 (800) 777-65-74 Email: zakaz@partsell.ru
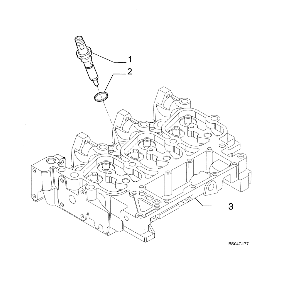
(03-04) - FUEL INJECTION SYSTEM - INJECTOR
№
Артикул
Название
Примечание
Количество
1
2852056
FUEL SYSTEM INJECTOR
Incl Sealing Washer J937142
3шт.
2852056R
REMAN-FUEL INJECTOR
435 BSN N7M425032 (3/04-12/07)
2852056C
CORE-FUEL INJECTOR
Return Number
1шт.
J937142
SEAL,7mm ID x 15mm OD x 1.5mm Thk
1.5 mm Washer
2
4895297
SEAL,7.3mm ID x 15mm OD x 2.5mm THK
3
REF
INSTRUCTION
See Figure 02-14, Cylinder Head
Выбрано товаров: 0