Запчасти Case IH 435 (09-18) - CHASSIS (09) - CHASSIS

Схема запчастей Case IH 435 - (09-18) - CHASSIS (09) - CHASSIS
FIT
1:1
100%

Артикул

Название

Примечание

Количество

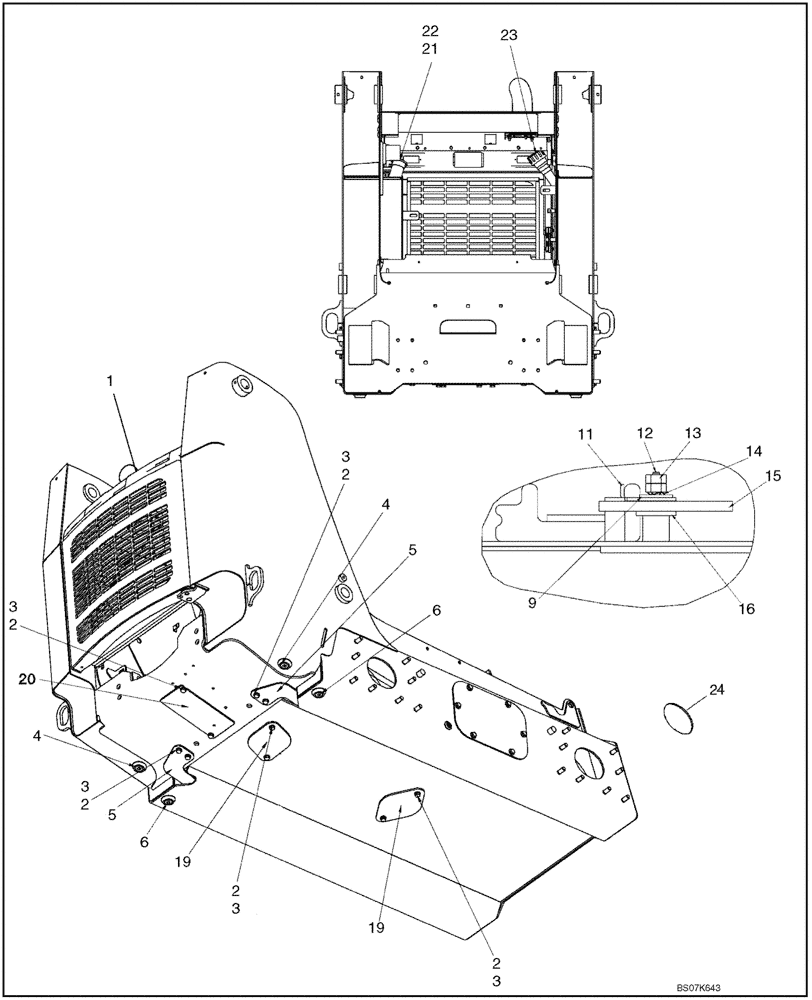
87618937

SERVICE KIT

Kit, Chassis; Incl Main Frame, Ref 6, 21, 23, 24, 25, 26, 27, Fuel Sender, Gasket and Mounting Screws 04-04A Ref 6, 7, 8, Decal 251745A1

1шт.

1

REF

INSTRUCTION

Rear Door; See Fig 09-49

1шт.

1

REF

INSTRUCTION

Rear Door, Europe; See Fig 09-50

1шт.

2

86625255

WASHER,13.3mm ID x 24.5mm OD x 3mm Thk

12шт.

3

43260

BOLT,Hex, M12 x 1.75 x 30mm, Cl 10.9, Full Thd

10шт.

4

87432221

PLUG

Magnetic Plug

2шт.

5

189422A1

COVER

Rear Chain Tank Cover

2шт.

6

86625135

PLUG,1" - 11-1/2 NPT

Hyd Chain Tank Drain

2шт.

7

140046

BELLEVILLE WASHER,M12 Bolt Size x 27mm OD x 1.8mm Thk

12шт.

8

87030508

BOLT,Hvy Hex, M12 x 30mm, Full Thd, Cl 10.9

12шт.

9

294967A1

WASHER

1шт.

11

294911A2

HOOK

Plate, Latch Return

1шт.

12

294943A1

STUD

Latch Mounting Stud

1шт.

13

100016

NUT,M10 x 1.5, Cl 8

2шт.

14

278332A1

SPRING WASHER

1шт.

15

294910A1

LATCH

1шт.

16

87381

WASHER,0.81" ID x 1.47" OD x 0.13" Thk

1шт.

17

87411208

COVER PLATE

2шт.

18

647429

DRAIN PLUG,Sq Soc HD, 1/2" - 14, NPTF

Pipe Plug, 1/2 NPTF

2шт.

19

247609A1

COVER

2шт.

20

87666086

PLATE

Cover Plate

1шт.

21

H436887

CAP

Fuel Cap, Non Locking

1шт.

22

108925A1

FILLER CAP

Fuel Cap, Locking

1шт.

23

257448A1

CAP

Hydraulic Oil Fill Cap

1шт.

24

86991034

PLUG

Axle Access

4шт.

25

87619748

PLUG

1.0-11.5 Plastic; Charge Suction, Cooler Return; Not Illustrated

1шт.

26

87619746

PLUG

3/4-14 Plastic; Fuel Supply; Not Illustrated

1шт.

27

87619747

PLUG

1/4-18 Plastic; Fuel Return, Sight Glass; Not Illustrated

2шт.

28

277450A1

STUD,M16 x 2 x 40mm, Cl 10.9

32шт.

Выбрано товаров: 29