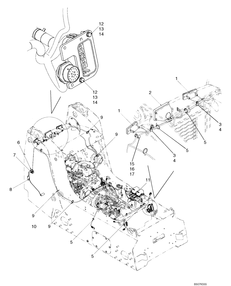
Запчасти Case IH 435 (04-04A) - ELECTRICAL - CHASSIS HARNESS (04) - ELECTRICAL SYSTEMS

Схема запчастей Case IH 435 - (04-04A) - ELECTRICAL - CHASSIS HARNESS (04) - ELECTRICAL SYSTEMS
17
2
9
5
5
12
10
1
9
13
5
9
14
5
11
4
1
7
6
15
4
8
12
9
14
3
16
3
13
FIT
1:1
100%

Артикул

Название

Примечание

Количество

1

233163A2

LAMP, TAIL

LIGHT, TAIL Incl Bulb 259499A1 And Screws 260-13414

2шт.

259499A1

BULB

12V-5W Britax F239

1шт.

260-13414

SELF-TAP SCREW,Cross Pan Hd, #8 x 7/8"

2шт.

2

222004A2

HEADLIGHT,Halogen, 12V, 50W, Clear

Incl Bulb 259702a1

1шт.

259702A1

BULB

1шт.

Electrical Connector on Harness is P/N 256340A1 & Terminal P/N 258613A1 QTY 2

1шт.

3

322357

BELLEVILLE WASHER,M6 Bolt Size x 14mm OD x 1.3mm Thk

6шт.

4

86637978

CLAMP,9.5mm, Coat, 8.7mm Bolt Hole, P Type

2шт.

5

263117

CABLE TIE,292.1mm L, Nylon, Black

CABLE STRAP

11-15шт.

6

528359R4

GASKET,3.05mm Thk

Sender Unit Gasket

1шт.

7

87308282

SCREW,HWH, #10 - 32 x 3/4"

5шт.

8

426128A1

SENDER UNIT

SENDER Fuel Level Sender Unit

1шт.

9

87668737

CABLE TIE,203.2mm L, Nylon, Black

6шт.

10

87715730

HARNESS

Chassis Harness; Incl 1A

1шт.

10

87747920

HARNESS

Replaces Harness 87715730; See Fig 04-04A

1шт.

11

87825

NUT,#10-32

1шт.

12

86624181

WASHER,M6

4шт.

13

86512440

NUT,M6, Cl 10

2шт.

14

86977786

BOLT,Hex, M6 x 1 x 25mm, Cl 8.8

2шт.

15

87016870

CLAMP,9.5mm, Coat, 8.7mm Bolt Hole, J Type

2-3шт.

16

86505868

SERRATED NUT,Hex, M8 x 1.25, Cl 8

2шт.

17

120103

BOLT,M8 x 1.25 x 16mm, Cl 8.8

2-6шт.

Выбрано товаров: 22