Запчасти Case IH 445 (07-01) - BRAKE SYSTEM - HYDRAULIC (07) - BRAKES

Схема запчастей Case IH 445 - (07-01) - BRAKE SYSTEM - HYDRAULIC (07) - BRAKES
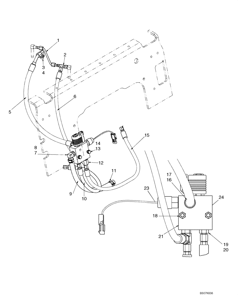
10
11
15
19
21
17
9
8
18
7
14
4
3
16
5
12
1
24
13
23
20
6
2
FIT
1:1
100%

Артикул

Название

Примечание

Количество

1

87021277

TUBE,6.35mm OD x 124.9mm L, 37 Degree Flare

1шт.

2

86513653

TEE,7/16" - 20 JIC x 7/16" - 20 JIC x 7/16" - 20 JIC

1шт.

3

76344

90 ELBOW,9/16" - 18 JIC x 9/16" - 18 ORB

Incl. 4

1шт.

4

9617873

O-RING,0.078" Thk x 0.468" ID, -906, Cl 6, 90 Duro

1шт.

5

87396221

HOSE

Hose, 615mm (24 7/32 in.)

1шт.

6

87015466

HOSE

Hose, 501mm (19 23/32 in.)

1шт.

7

86705580

FITTING,90 Degree, 1/2" Hose Bead x 9/16" - 18 ORB

Incl 8

1шт.

8

9617873

O-RING,0.078" Thk x 0.468" ID, -906, Cl 6, 90 Duro

1шт.

9

87015463

HOSE,12.7mm ID x 402mm L

1шт.

10

87015941

HOSE

Hose, 457mm (18 in.)

1шт.

11

87443510

HOSE CLAMP,18.4mm Static ID x 15mm W

2шт.

12

87029965

HYD CONNECTOR,9/16" - 18 ORB x 9/16" JIC x 9/16" JIC

Tee, Adj Run 37 Fl 1/4 X 3/8 X 3/8

1шт.

13

86624184

WASHER,9mm ID x 16mm OD x 1.6mm Thk

2шт.

14

120061

BOLT,Hex, M8 x 60mm L, Cl 8.8

2шт.

15

87015942

HOSE

Hose, 640mm (25 3/16 in.)

1шт.

16

76350

HYD CONNECTOR,9/16" - 18 ORB x 9/16" - 18 JIC

Incl 17

1шт.

17

9617873

O-RING,0.078" Thk x 0.468" ID, -906, Cl 6, 90 Duro

1шт.

18

9628098

NUT,M8 x 1.25, Cl 10

2шт.

19

139398

HYD CONNECTOR,9/16" - 18 ORB x 7/16" - 20 JIC

Incl 20

1шт.

20

9617873

O-RING,0.078" Thk x 0.468" ID, -906, Cl 6, 90 Duro

1шт.

21

87423790

BRAKE VALVE

Incl 22 - 24; If Used

1шт.

21

87021047

BRAKE VALVE

If Used

1шт.

22

87424182

BRAKE VALVE

Solenoid Valve

1шт.

23

87458061

PRESSURE SWITCH

Brake Valve; Incl. O-Ring Which Is Not Serviced Separately

1шт.

24

NSS

NOT SOLD SEPARAT

Valve Body

1шт.

Выбрано товаров: 25