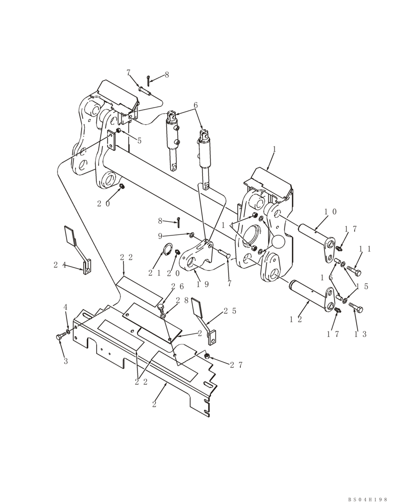
Запчасти Case IH 450 (09-05) - COUPLER, HYDRAULIC (09) - CHASSIS

Схема запчастей Case IH 450 - (09-05) - COUPLER, HYDRAULIC (09) - CHASSIS
15
9
1
14
2
10
13
19
5
17
8
8
4
26
22
28
23
20
6
11
21
3
7
17
22
25
7
27
24
12
bs04h198
20
16
FIT
1:1
100%

Артикул

Название

Примечание

Количество

87393401

SERVICE KIT

Hydraulic Coupler; Incl. 1 - 28 And Figure 08-07A Ref 1- 41

1шт.

1

246902A7

FRAME ASSY

1шт.

2

275552A2

HALF BLADE

1шт.

3

43140

BOLT,Hex, M10 x 1.5 x 30mm, Cl 8.8

4шт.

4

140017

WASHER,M10 x 20mm OD x 2mm Thk

8шт.

5

86512554

NUT,M10 x 1.5, Cl 10

4шт.

6

255866A3

CYLINDER ASSY.,Double Acting, 25.4mm Rod, 56.13mm Stroke

56 mm strk; Component Parts Not Serviced Separately

2шт.

7

362528

CLEVIS PIN,M16 x 55mm OAL

4шт.

8

412685

COTTER PIN,M4 x 32

4шт.

9

86625266

WASHER,17.5mm ID x 30mm OD x 4mm Thk

2шт.

10

255071A2

PIN,35mm OD x 177mm L

Upper

2шт.

11

325829

BOLT,Hex, M10 x 1.5 x 45mm, Cl 8.8

2шт.

12

255073A3

PIN,45mm OD x 255mm L

Lower

2шт.

13

325829

BOLT,Hex, M10 x 1.5 x 45mm, Cl 8.8

2шт.

14

86512554

NUT,M10 x 1.5, Cl 10

4шт.

15

86625253

WASHER,11mm ID x 24mm OD x 2mm Thk

8шт.

16

906091R1

SPACER,10.7mm ID x 17.14mm OD x 9.5mm L

3/8 x 0.375 x Strg Pipe; Replaces 660200R1

4шт.

17

80710

LUBE NIPPLE,1/8” – 27 Dryseal PTF

4шт.

19

300306A1

HOOK

68 mm OD

2шт.

20

80710

LUBE NIPPLE,1/8” – 27 Dryseal PTF

2шт.

21

86625149

SNAP RING,#175, Ext

2шт.

22

D55216

PAD,2" x 9"

2 x 9 in

3шт.

23

283549A1

SHEET

1шт.

24

284107A2

LINK ASSY.

Left Hand

1шт.

25

284110A2

INDICATOR

Right Hand

1шт.

26

43140

BOLT,Hex, M10 x 1.5 x 30mm, Cl 8.8

2шт.

27

86512554

NUT,M10 x 1.5, Cl 10

2шт.

28

140017

WASHER,M10 x 20mm OD x 2mm Thk

4шт.

Выбрано товаров: 28