Запчасти Case IH 465 (09-47) - AIR CONDITIONING SYSTEM (09) - CHASSIS

Схема запчастей Case IH 465 - (09-47) - AIR CONDITIONING SYSTEM (09) - CHASSIS
3
35
36
38
21
17
13
6
30
26
33
5
7
3
2
10
13
37
18
9
22
8
23
32
15
17
2
41
39
19
27
14
12
40
9
12
4
34
28
24
2
29
9
36
31
15
2
11
9
1
16
15
25
12
FIT
1:1
100%

Артикул

Название

Примечание

Количество

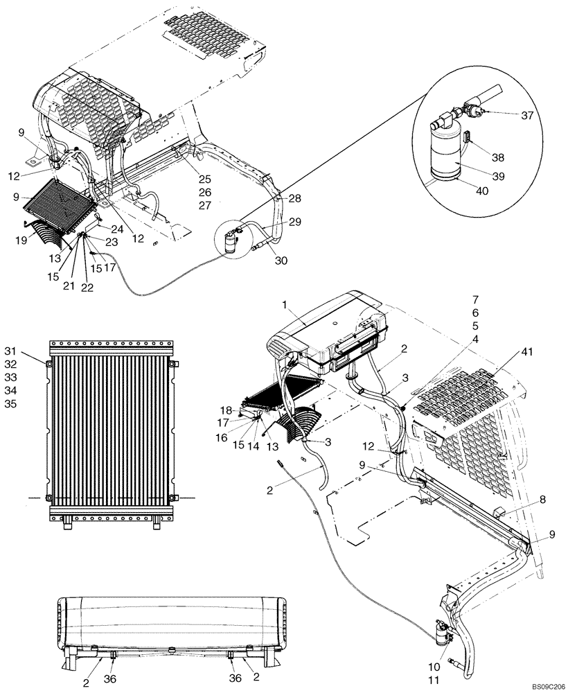
1

84129073

AIR CONDITIONER

Heater And A/C Assy; Incl 87653393 And 84146888

1шт.

1

87653393

AIR CONDITIONER,Assembly

Heater And Air Conditioning Unit; See Fig 09-49

1шт.

2

87691473

A/C HOSE

Tube, A/C Drain

2шт.

3

87307909

GROMMET

2шт.

4

H434289

MOUNTING CLIP,7/8”, Insulated, 1/2” Bolt

1шт.

5

86505868

SERRATED NUT,Hex, M8 x 1.25, Cl 8

1шт.

6

120104

BOLT,Hex, M8 x 1.25 x 20mm, Cl 8.8

If Used

1шт.

6

43127

BOLT,Hex, M8 x 1.25 x 25mm, Cl 8.8

If Used

1шт.

6

120106

BOLT,M8 x 1.25 x 45.45mm, Cl 8.8

1шт.

7

86624184

WASHER,9mm ID x 16mm OD x 1.6mm Thk

1шт.

8

87689316

COVER

Hose Cover; If Used

1шт.

8

84164584

COVER

Hose Cover, Gray

1шт.

9

87439844

GUARD

Trim

3шт.

10

9804256

BOLT,Hex, M6 x 1 x 20mm, Full Thd, Cl 8.8

2шт.

11

86511444

FLANGE NUT,Hex, M6 x 1

2шт.

13

9804277

FLANGE NUT,Hex, M8 x 1.25, Cl 8

1-2шт.

14

254697A1

SPACER

1шт.

15

86625263

WASHER,9mm ID x 20mm OD x 1.6mm Thk

1-3шт.

16

300381

BOLT,Hex, M8 x 1.25 x 35mm, Cl 8.8

1шт.

17

9706690

NUT,M8 x 1.25, Cl 8

1-2шт.

18

9827902

CLAMP,25.4mm, Coat, 10.3mm Bolt Hole, P Type

1шт.

19

87563692

CONDENSER

1шт.

20

87594971

GUARD

Fan Guard

1шт.

21

87029955

CLAMP,22.2mm, Coat, 10.3mm Bolt Hole, P Type

If Used

1шт.

21

87016870

CLAMP,9.5mm, Coat, 8.7mm Bolt Hole, J Type

If Used

1шт.

22

87340800

SPACER,5/8" Tube x 15.88mm

Spacer; If Used

1шт.

22

87036413

SPACER,10.34mm ID x 15.88mm OD x 23.8mm L

If Used

1шт.

23

43129

BOLT,Hex, M8 x 1.25 x 40mm, LH Thd, Cl 8.8

If Used

1шт.

23

43130

BOLT,Hex, M8 x 1.25 x 50mm, Cl 8.8

If Used

1шт.

24

86639409

DECAL

Decal, A/C Specifications

1шт.

25

86512420

CARRIAGE BOLT,Rnd Head, M8 x 1.25 x 20mm, Full Thd, Cl 8.8

3шт.

26

86624185

WASHER,8.8mm ID x 17.5mm OD x 2mm Thk

3шт.

27

412250

NUT,M8 x 1.25, Cl 8

3шт.

28

87441006

TUBE,4.6mm ID x 1350mm L

1шт.

29

87693645

HOSE,7.94mm ID x 4245mm L

Hose, A/C Liquid

1шт.

30

87693644

HOSE,12.7mm ID x 3940mm L

Hose, A/C Suction

1шт.

31

86025725

BOLT,Hex, M5 x 40mm, Cl 8.8

4шт.

32

87301324

NUT,Spring, M5 x 0.8

4шт.

33

86592710

WASHER,6.4mm ID x 17mm OD x 3mm Thk

4шт.

34

87574372

SPACER,6.8mm ID x 10.3mm OD x 19mm L

4шт.

35

87013357

WASHER,5.5mm ID x 15mm OD x 1.6mm Thk

4шт.

36

87584302

CLAMP,16mm - 19mm, Spring

Clamp

2шт.

37

86625515

PRESSURE SWITCH

Switch, A/C Pressure

1шт.

38

87445908

HARNESS

Compressor Harness

1шт.

39

87437501

BRACKET

1шт.

40

86625481

RECEIVER-DRYER

1шт.

41

87555249

SWITCH

A/C Switch

1шт.

Выбрано товаров: 47