Запчасти Case IH 465 (02-09) - CYLINDER BLOCK (02) - ENGINE

Схема запчастей Case IH 465 - (02-09) - CYLINDER BLOCK (02) - ENGINE
7
8
9
4
1
6
5
3
10
3
2
FIT
1:1
100%

Артикул

Название

Примечание

Количество

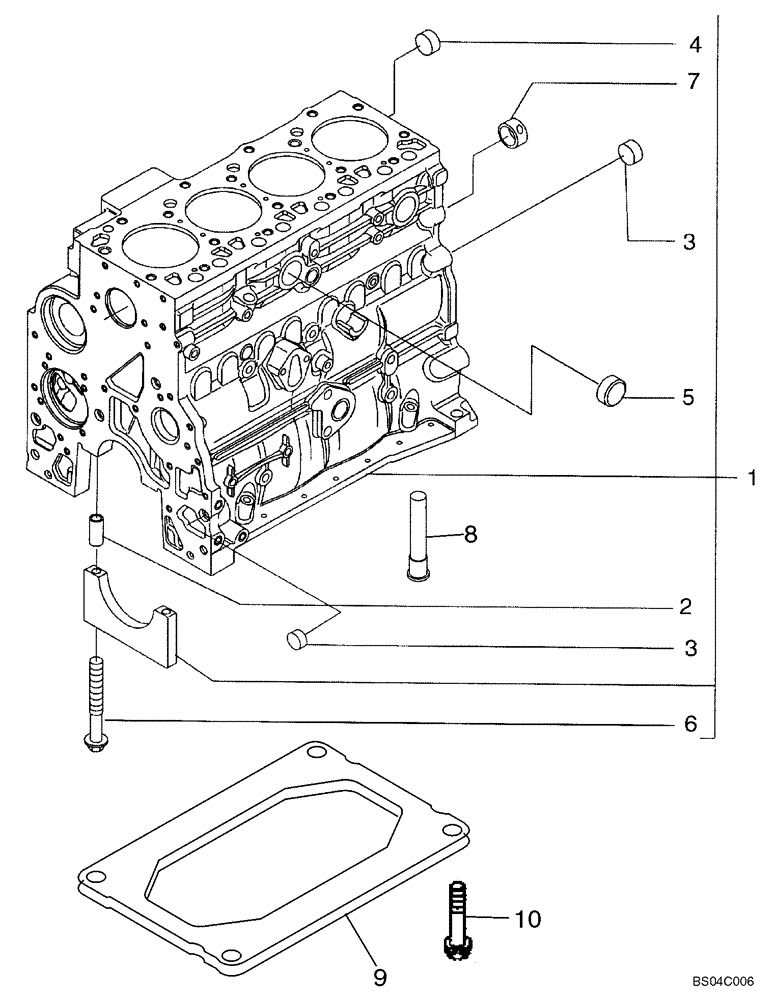
1

2830083

CYLINDER BLOCK,4 Cylinders

Incl. Ref 2 - 7, Plus Main Bearing Caps

1шт.

4895919

BEARING ASSY,86.1mm D

Main

4шт.

4895921

BEARING ASSY,86.1mm D

Main

1шт.

2

4899026

DOWEL,M18 x 10

10шт.

3

4895039

EXPANSION PLUG,M17.73

3шт.

4

4895038

EXPANSION PLUG,M58.06

4шт.

5

4895228

EXPANSION PLUG,35.23mm x 7.94mm

2шт.

6

4891353

SCREW,Flg Hd, M12 x 1.5 x 120

10шт.

7

4895040

BUSHING,54.39mm ID x 59.39mm OD x 25.4mm L

5шт.

8

4896153

PLUG

Piston Cooling

1шт.

9

2852729

STIFFENER

Bedplate, Cylinder Block Stiffener

1шт.

10

4899032

SCREW,Hex Flg, M10 x 1.5 x 25

4шт.

Выбрано товаров: 12