Запчасти Case IH 465 (04-06) - HARNESS, FRONT - CHASSIS (04) - ELECTRICAL SYSTEMS

Схема запчастей Case IH 465 - (04-06) - HARNESS, FRONT - CHASSIS (04) - ELECTRICAL SYSTEMS
5
20
13
2
21
15
6
8
12
3
6
5
17
16
7
1
5
9
22
10
18
14
6
4
19
6
11
FIT
1:1
100%

Артикул

Название

Примечание

Количество

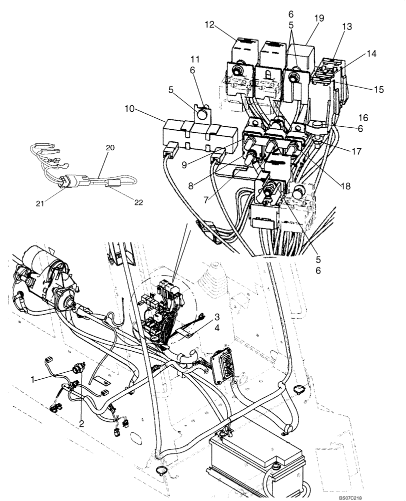
See Figure 04-07 For Rear Section Of Chassis Harness Shown

1шт.

REF

INSTRUCTION

Harness, Main Chassis; See Figure 04-07, Ref 1

1шт.

1

87033027

ADAPTER

Adapter; -12 SAE To 1/2 NPTF

1шт.

2

A166057

TEMPERATURE SENDER,1/2" - 14 NPTF

Sender; Transmission Oil Temperature

1шт.

3

A37179

CLIP

2шт.

4

86511444

FLANGE NUT,Hex, M6 x 1

2шт.

5

86511826

SCREW,Phillips Drive, Pan HD, M5 x 16mm

8шт.

6

80043416

NUT,M5

M5, Flg Ser

9шт.

7

247333A1

CAP

6шт.

8

303884A1

BREAKER

15 amp; Incl. Hardware; If Used

1шт.

8

87049166

CIRCUIT BREAKER

15 amp; Incl. Hardware; If Used

1шт.

9

245861C1

BAR

1шт.

10

86705351

RESISTOR

50 ohm

1шт.

11

86624181

WASHER,M6

4шт.

12

87436836

RELAY,12V, 40 Amp

40 amp, 12V; Heavy Duty; If Used

4шт.

12

87355337

RELAY,12V, 45A

45 Amp; MFG # Stamped On Case - 4RD 931 680-01; If Used

1шт.

13

A149802

FUSE

20 amp; Lights Relay

1шт.

14

A149801

FUSE,Lt Blue, 15 Amp

15 Amp; Interlock, Instrument Panel

1шт.

15

A149800

FUSE,10 Amp

10 amp; Horn, Backup Alarm

1шт.

16

86585710

SCREW,Phillips Drive, Pan HD, M5 x 25mm, Cl 4.8

2шт.

17

303886A1

BREAKER

40 amp; Incl. Hardware; If Used

2шт.

17

87049165

CIRCUIT BREAKER

40 amp; Incl. Hardware; If Used

2шт.

18

87825

NUT,#10-32

1шт.

19

314451A1

RELAY

40 Amp Heavy Duty; If Used

1шт.

19

87355337

RELAY,12V, 45A

45 Amp; MFG # Stamped On Case - 4RD 931 680-01; If Used

1шт.

87604790

SERVICE KIT

Incl. 87603548 And Instructions

1шт.

20

87603548

HARNESS

Kit, Interlock Resistor Jumper; Incl. 21, 22

1шт.

21

87603121

HARNESS

Interlock Adapter

1шт.

22

87603120

RESISTOR

Resistor, 100 Ohm 5W

1шт.

87611148

SERVICE KIT

Light Power Cable; See Service Bulletin 2006/12-NSL; Incl. 87602205 And Instructions

1шт.

87602205

CABLE

Light Power Cable

1шт.

Выбрано товаров: 31