Запчасти Case IH 465 (06-02B) - HYDROSTATICS - TWO SPEED (SPLIT PUMP CONFIGURATION) (06) - POWER TRAIN

Схема запчастей Case IH 465 - (06-02B) - HYDROSTATICS - TWO SPEED (SPLIT PUMP CONFIGURATION) (06) - POWER TRAIN
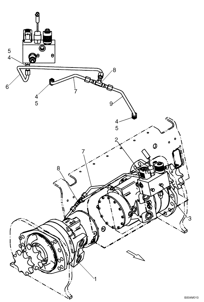
4
4
3
6
8
4
8
7
5
9
7
5
5
1
2
FIT
1:1
100%

Артикул

Название

Примечание

Количество

REF

INSTRUCTION

MODELS WITH SPLIT PUMP CONFIGURATION

1шт.

1

87035344

HYDRAULIC MOTOR

Two Speed; See Figure 06-22 - 06-24

2шт.

1

87035344R

Remanufactured Hydraulic Motor

REMAN-HYD MOTOR

2шт.

1

87035344C

Return Number

CORE-MOTOR HYDRAULIC

2шт.

87638779

SERVICE KIT

Conversion Kit, Split Pump to In-Line Pump, See Fig 06-03C Ref 8

1шт.

2

87459037

HYDRAULIC VALVE

Two Speed; See Figure 06-07

1шт.

2

87756432

BRAKE VALVE

Valve, Brake Rel, 2 Spd

1шт.

3

412215

BOLT,Hex, M8 x 1.25 x 100mm, Cl 8.8

2шт.

4

76350

HYD CONNECTOR,9/16" - 18 ORB x 9/16" - 18 JIC

Incl 5

3шт.

5

9617873

O-RING,0.078" Thk x 0.468" ID, -906, Cl 6, 90 Duro

1шт.

6

87458946

HYD TUBE,9.53 mm OD

Speed Valve To Tee

1шт.

7

87458948

HYD TUBE,9.53 mm OD

Tee To Left Hand Motor

1шт.

8

76355

TEE,9/16" - 18 JIC x 9/16" - 18 JIC x 9/16" - 18 JIC

9/16"-18, 37°

1шт.

9

87458947

HYD TUBE,9.53 mm OD

Tee To Right Hand Motor

1шт.

Выбрано товаров: 0