Запчасти Case IH 4120 (13-1) - SUPERSTRUCTURE (05) - SUPERSTRUCTURE

Схема запчастей Case IH 4120 - (13-1) - SUPERSTRUCTURE (05) - SUPERSTRUCTURE
FIT
1:1
100%

Артикул

Название

Примечание

Количество

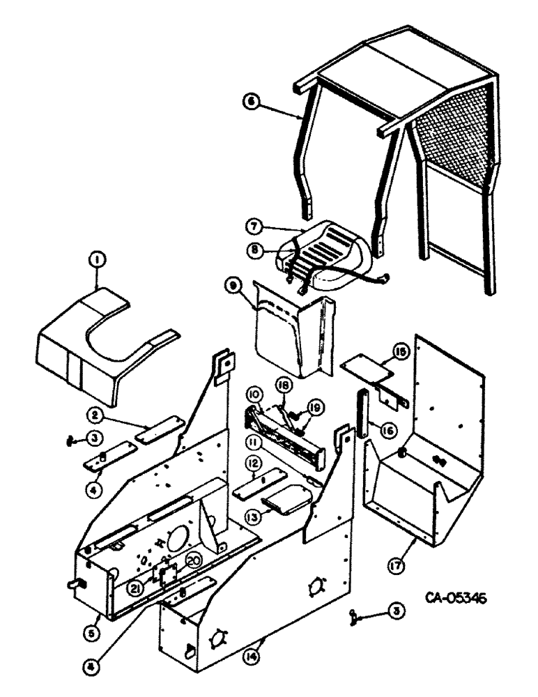
1

72340C1

HOOD

1шт.

2

72341C1

COVER, gear case, right rear

1шт.

72342C1

GASKET

gear case cover

1шт.

120382

LOCK WASHER,Helical Spring, 3/8"

WASHER, LOCK, 3/8"

2шт.

120377

NUT,3/8" - 16, Gr 5

2шт.

3

72343C1

LATCH, hood

2шт.

180042

BOLT,Hex, 1/4" - 20 x 1 3/4", Gr 5

SCREW, 1/4-20 x 1-3/4 x znd hex-hd cap

2шт.

72344C1

SPRING, compression

2шт.

446363

WASHER,5/16"

.375 x .875 x .064 znd pln

2шт.

495-21031

WASHER,1/4"

.312 x .734 x .051 znd pln

2шт.

231-4144

NUT,1/4"-20, GB

NUT, 1/4-20 cad hex lock

2шт.

4

72345C1

COVER, gear case front

2шт.

72342C1

GASKET

gear case cover

2шт.

120382

LOCK WASHER,Helical Spring, 3/8"

WASHER, LOCK, 3/8"

4шт.

120377

NUT,3/8" - 16, Gr 5

4шт.

5

72346C1

BODY, R.H.

1шт.

6

72468C1

CAB, ROPS - canopy

1шт.

113-257

BOLT,Hex, 3/8" - 16 x 2-1/2", Gr 5

SCREW, 3-8/16 x 2-1/2 znd hex-hd cap

10шт.

120382

LOCK WASHER,Helical Spring, 3/8"

WASHER, LOCK, 3/8"

10шт.

120377

NUT,3/8" - 16, Gr 5

10шт.

24200R1

SELF-TAP SCREW,Hex Hd, 1/4" x 3/4"

SCREW, 1/4-14 znd hex-hd tap.

2шт.

7

72551C1

SEAT

1шт.

80681

LOCK WASHER,5/16"

WASHER, LOCK, 5/16"

4шт.

180077

BOLT,Hex, 5/16" - 18 x 3/4", Gr 5

SCREW, 5/16-18 x 3/4 znd hex-hd cap

4шт.

8

72179C1

BELT

SAFETY BELT

1шт.

9

72347C1

SHIELD, leg

1шт.

24200R1

SELF-TAP SCREW,Hex Hd, 1/4" x 3/4"

SCREW, 1/4-14 znd hex-hd tap

2шт.

120392

WASHER,1/4", SAE

.281 x .625 x .051 znd pln

2шт.

10

72348C1

BRACE, cross

1шт.

180177

BOLT,Hex, 1/2" - 13 x 1 1/2", Gr 5

SCREW, 1/2-13 x 1-1/2 znd hex-hd cap

4шт.

120384

WASHER,1/2"

LOCK, 1/2"

4шт.

120378

NUT,Hex, 1/2" - 13, Gr 5

NUT, 1/2"-13, G5

4шт.

11

72349C1

CHANNEL, battery, hold down

1шт.

180077

BOLT,Hex, 5/16" - 18 x 3/4", Gr 5

SCREW, 5/16-18 x 3/4 x znd hex-hd cap

1шт.

80681

LOCK WASHER,5/16"

WASHER, LOCK, 5/16"

1шт.

120376

NUT,5/16"-18, G5

1шт.

12

72350C1

COVER, gear case, left rear

1шт.

72342C1

GASKET

gear case cover

1шт.

120382

LOCK WASHER,Helical Spring, 3/8"

WASHER, LOCK, 3/8"

2шт.

120377

NUT,3/8" - 16, Gr 5

2шт.

13

72351C1

SUPPORT, battery, box

1шт.

120382

LOCK WASHER,Helical Spring, 3/8"

WASHER, LOCK, 3/8"

2шт.

120377

NUT,3/8" - 16, Gr 5

2шт.

14

72352C1

BODY, L.H.

1шт.

180122

BOLT,Hex, 3/8" - 16 x 1", Gr 5

3/8-16 x 1 znd hex-hd cap

11шт.

180124

BOLT,Hex, 3/8" - 16 x 1 1/4", Gr 5

SCREW, 3/8-16 x 1-1/4 znd hex-hd cap

1шт.

120382

LOCK WASHER,Helical Spring, 3/8"

WASHER, LOCK, 3/8"

12шт.

120377

NUT,3/8" - 16, Gr 5

12шт.

15

72353C1

PIVOT ASSY, seat

1шт.

120382

LOCK WASHER,Helical Spring, 3/8"

WASHER, LOCK, 3/8"

2шт.

120377

NUT,3/8" - 16, Gr 5

3шт.

180124

BOLT,Hex, 3/8" - 16 x 1 1/4", Gr 5

SCREW, 3/8-16 x 1-1/4 znd hex-hd cap

1шт.

16

72354C1

TUBE, seat, support 11.5" Length

1шт.

113-257

BOLT,Hex, 3/8" - 16 x 2-1/2", Gr 5

SCREW, 3/8-16 x 2-1/2 znd hex-hd cap

2шт.

120382

LOCK WASHER,Helical Spring, 3/8"

WASHER, LOCK, 3/8"

2шт.

120377

NUT,3/8" - 16, Gr 5

2шт.

17

72355C1

TANK, fuel

1шт.

180124

BOLT,Hex, 3/8" - 16 x 1 1/4", Gr 5

SCREW, 3/8-16 x 1-1/4 znd hex-hd cap

8шт.

120382

LOCK WASHER,Helical Spring, 3/8"

WASHER, LOCK, 3/8"

8шт.

120377

NUT,3/8" - 16, Gr 5

8шт.

72187C1

CAP

fuel tank

1шт.

18

72357C1

SUPPORT, friction, bar

1шт.

19

72358C1

SPRING, compression

2шт.

189304

BOLT,Hex, 3/8" - 16 x 3 1/4", Gr 5

SCREW, 3/8-16 x 3-1/4 znd hex-hd cap

2шт.

NLS

NO LONGER SERVICED

.438 x 1.000 x .064 znd pln

2шт.

120377

NUT,3/8" - 16, Gr 5

2шт.

20

72359C1

BAR

brake, cover

1шт.

120382

LOCK WASHER,Helical Spring, 3/8"

WASHER, LOCK, 3/8"

4шт.

120377

NUT,3/8" - 16, Gr 5

4шт.

21

72360C1

GASKET, brake cover

1шт.

Выбрано товаров: 70