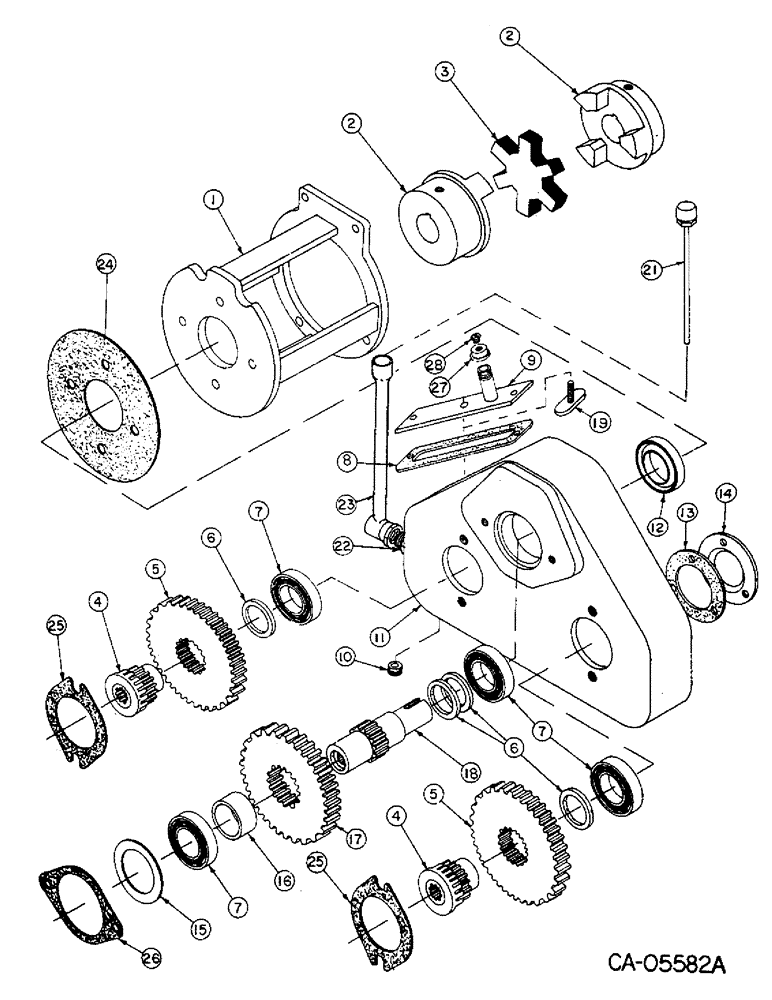
Запчасти Case IH 4130 (07-5) - DRIVE TRAIN, HYD. PUMP DRIVE (04) - Drive Train

Схема запчастей Case IH 4130 - (07-5) - DRIVE TRAIN, HYD. PUMP DRIVE (04) - Drive Train
4
19
18
7
1
27
26
3
10
7
4
6
7
8
6
28
5
9
5
25
21
14
22
25
17
13
16
23
24
2
12
2
11
15
FIT
1:1
100%

Артикул

Название

Примечание

Количество

1

73282C1

HUB, pump drive, support

1шт.

180122

BOLT,Hex, 3/8" - 16 x 1", Gr 5

3/8 x 1 type 5

4шт.

180124

BOLT,Hex, 3/8" - 16 x 1 1/4", Gr 5

3/8 x 1-1/4 type 5

4шт.

120382

LOCK WASHER,Helical Spring, 3/8"

WASHER, LOCK, 3/8"

8шт.

2

73283C1

COUPLING

2шт.

Q63

KEY,3/8" Sq x 1 1/2", Par

3/8 x 1-1/2 sq parallel

2шт.

73286C1

SCREW, set

2шт.

3

73284C1

COUPLING

1шт.

4

73285C1

GEAR, pinion, hub

2шт.

5

73287C1

GEAR, pinion - 48T-1.08:1 ratio

2шт.

5

73295C1

GEAR, pinion - 52T-.92:1 ratio

2шт.

6

72929C1

THRUST WASHER

SPACER, washer

4шт.

7

ST3005

BALL BEARING,40 mm ID x 68 mm OD x 15 mm

BEARING

4шт.

8

73289C1

GASKET

cover

1шт.

9

73290C1

COVER

1шт.

180122

BOLT,Hex, 3/8" - 16 x 1", Gr 5

3/8 x 1 type 5

2шт.

120382

LOCK WASHER,Helical Spring, 3/8"

WASHER, LOCK, 3/8"

2шт.

10

167823H1

PLUG

1шт.

11

73291C1

HOUSING, pump drive

1шт.

12

73426C1

SEAL

1шт.

13

72071C1

GASKET

2шт.

14

72072C1

COVER

2шт.

113-206

BOLT,Hex, 3/8" - 16 x 3/4", Gr 5, Full Thd

3/8 x 3/4 type 5

6шт.

120382

LOCK WASHER,Helical Spring, 3/8"

WASHER, LOCK, 3/8"

6шт.

15

73292C1

WASHER, thrust - 14 ga. (Or as required)

1шт.

15

73293C1

WASHER

thrust - 18 ga. (Or as required)

1шт.

16

73294C1

SPACER, input shaft

1шт.

17

73295C1

GEAR, input - 52T-1.08:1 ratio

1шт.

17

73287C1

GEAR, input - 48T-.92:1 ratio

1шт.

18

73296C1

SHAFT

input

1шт.

19

73297C1

RETAINER, cover

1шт.

120393

BEARING WASHER,5/16", SAE

WASHER, .344 x .688 x .051

1шт.

120377

NUT,3/8" - 16, Gr 5

1шт.

20

NSS

NOT SOLD SEPARAT

NOT USED IN THIS APPLICATION

1шт.

21

75124C1

GAUGE

oil level, dipstick

1шт.

22

75116C1

NIPPLE

1шт.

23

76082C1

TUBE, dipstick 0.75" OD, 12" Length

1шт.

24

73299C1

GASKET

pump drive mount

1шт.

25

72264C1

GASKET

hydro pump (Or as required)

2шт.

26

73305C1

GASKET

hydraulic pump (Or as required)

1шт.

27

73300C1

CAP, vent

1шт.

28

73418C1

BREATHER

1шт.

Выбрано товаров: 42