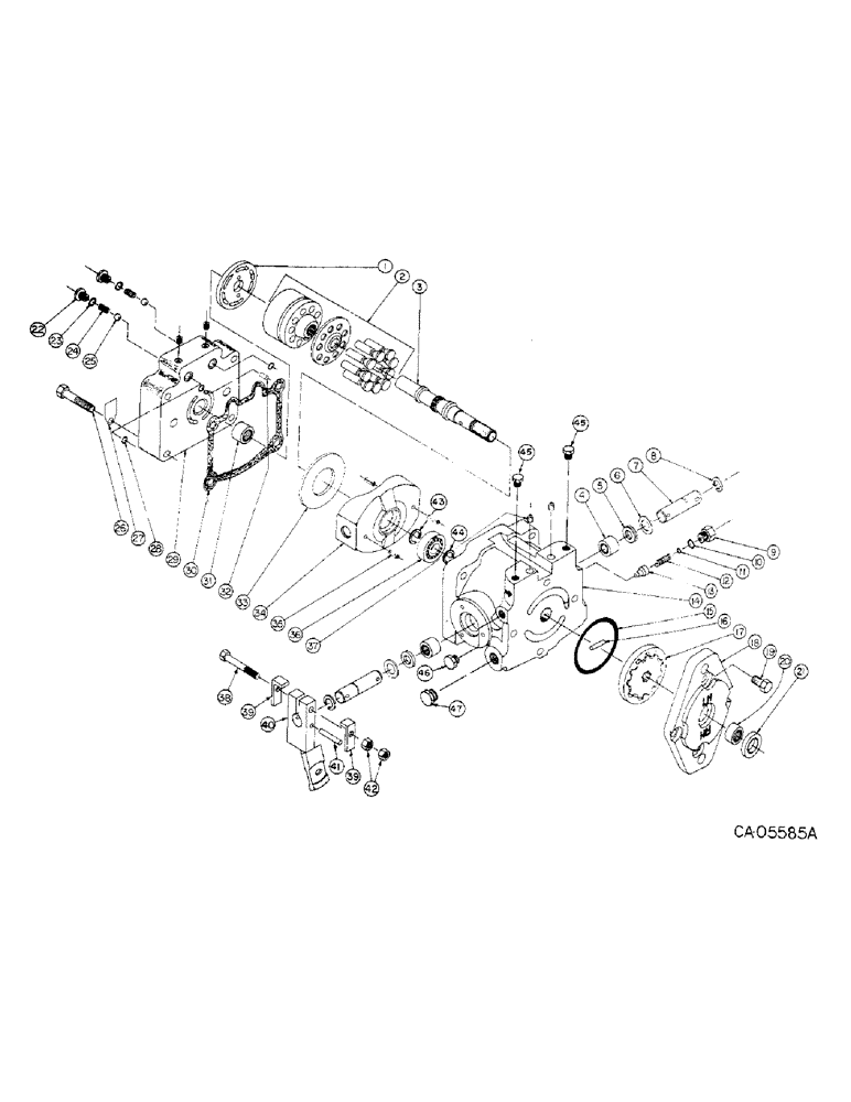
Запчасти Case IH 4130 (10-12) - HYDRAULICS, HYDROSTATIC PUMP ASSY (07) - HYDRAULICS

Схема запчастей Case IH 4130 - (10-12) - HYDRAULICS, HYDROSTATIC PUMP ASSY (07) - HYDRAULICS
18
19
32
11
10
37
43
40
45
38
39
35
30
1
15
4
16
8
3
23
29
26
46
45
21
39
9
42
41
28
22
2
7
36
20
25
31
34
13
14
17
27
5
24
12
6
44
47
33
FIT
1:1
100%

Артикул

Название

Примечание

Количество

73332C93

PUMP

ASSY, hydrostatic

1шт.

1

138101C1

PLATE, valve

1шт.

2

405178R93

KIT

cylinder block

1шт.

3

138104C1

SHAFT, pump, Sundstrand pump model no.15-2026

1шт.

3

142511C1

SHAFT

pump, Sundstrand pump model no.15-2085

1шт.

4

629631R91

NEEDLE BEARING

BEARING, needle

2шт.

5

123252C91

SEAL

lip

2шт.

6

398574R2

WASHER

seal retaining

2шт.

7

138103C1

SHAFT

trunnion

1шт.

8

21065R1

SNAP RING,#68, Ext

Ring, Snap, #68, Ext

2шт.

9

NSS

NOT SOLD SEPARAT

Order kit 138100C1

1шт.

11

NSS

NOT SOLD SEPARAT

Order kit 138100C1

1шт.

10

369384R1

O-RING,0.072" Thk x 0.414" ID, -905, Cl 6, 90 Duro

5-1, 90 Duro, .414" ID x .072" Thk

1шт.

12

NSS

NOT SOLD SEPARAT

Order kit 138100C1

1шт.

13

NSS

NOT SOLD SEPARAT

Order kit 138100C1

1шт.

14

NSS

NOT SOLD SEPARAT

Order pump assy 73332C91

1шт.

15

381109R1

O-RING,0.103" Thk x 3.487" ID, -153, Cl 5, 75 Duro

1шт.

16

138106C1

PIN

dowel

1шт.

17

138105C1

ROTOR ASSY.

ROTOR ASSY, charge pump

1шт.

18

138107C2

HOUSING

charge pump

1шт.

19

179817

BOLT,Hex, 5/16" - 18 x 7/8", Gr 5, Full Thd

4шт.

20

66534C91

NEEDLE BEARING

needle

1шт.

21

177431H1

OIL SEAL

lip

1шт.

22

NSS

NOT SOLD SEPARAT

Order kit 123094C1

1шт.

24

NSS

NOT SOLD SEPARAT

Order kit 123094C1

1шт.

23

369384R1

O-RING,0.072" Thk x 0.414" ID, -905, Cl 6, 90 Duro

5-1, 90 Duro, .414" ID x .072" Thk

2шт.

25

NSS

NOT SOLD SEPARAT

Order kit 123094C1

1шт.

26

179849

BOLT,Hex, 3/8" - 16 x 2 1/2", Gr 5

4шт.

27

NSS

NOT SOLD SEPARAT

Order pump assy 73332C91

1шт.

28

370920R1

O-RING,1/2" ID

Replaces 382997R1

2шт.

29

NSS

NOT SOLD SEPARAT

Order pump assy 73332C91

1шт.

30

138099C1

GASKET

end cap

1шт.

31

394867R91

BEARING, ROLLER,0.6693" ID x 0.937" OD x 0.625"

BEARING, center housing

1шт.

32

394860R1

PIN

hyd pump cyl block

1шт.

33

138098C1

LARGE PLATE

PLATE, thrust

1шт.

34

138102C1

LARGE PLATE

HOUSING, variable, swash plate

1шт.

35

27280R1

PIN,4.75mm OD x 15.88mm L, Coiled

4шт.

36

ST207

BEARING, BALL

1шт.

37

444687

PLUG,Hex Soc, 1/8"-27

Auto, Pipe Hex Soc, 1/8"-27

4шт.

38

180132

BOLT,Hex, 3/8" - 16 x 2 1/4", Gr 5

3/8 x 2-1/4 type 5

2шт.

39

73413C1

SUPPORT

roll pin hold down, bracket

4шт.

40

73414C1

LEVER

control, RH

1шт.

40

73415C1

LEVER

control, LH

1шт.

41

19689R1

PIN,1/4" x 1 1/4", Coiled

2шт.

42

120377

NUT,3/8" - 16, Gr 5

4шт.

43

513047R1

SNAP RING,1.852", Int, #185

Ring, Snap, 1.852", Int, #185

1шт.

Ref. nos. 43 thru 47 are for Sundstrand pump model no. 15-2085.

1шт.

44

303004R1

SNAP RING,#78, Ext

1шт.

Ref. nos. 43 thru 47 are for Sundstrand pump model no. 15-2085.

1шт.

45

9410358

PLUG

9/16-18 str thd hex

2шт.

Ref. nos. 43 thru 47 are for Sundstrand pump model no. 15-2085.

1шт.

46

9410357

PLUG

1/2-20 str thd hex

1шт.

Ref. nos. 43 thru 47 are for Sundstrand pump model no. 15-2085.

1шт.

364839R1

O-RING,0.078" Thk x 0.468" ID, -906, Cl 6, 90 Duro

6-1, 90 Duro, .468" ID x .078" Thk, 3/8 OD tube

2шт.

Ref. nos. 43 thru 47 are for Sundstrand pump model no. 15-2085.

1шт.

47

9410359

PLUG

3/4-16 str thd hex

1шт.

Ref. nos. 43 thru 47 are for Sundstrand pump model no. 15-2085.

1шт.

570828R1

O-RING,0.087" Thk x 0.644" ID, -908, Cl 6, 90 Duro

1/2 OD tube

1шт.

Ref. nos. 43 thru 47 are for Sundstrand pump model no. 15-2085.

1шт.

369384R1

O-RING,0.072" Thk x 0.414" ID, -905, Cl 6, 90 Duro

5-1, 90 Duro, .414" ID x .072" Thk, 5/16 OD tube

1шт.

Ref. nos. 43 thru 47 are for Sundstrand pump model no. 15-2085.

1шт.

123094C1

KIT

check valve

1шт.

Ref. nos. 43 thru 47 are for Sundstrand pump model no. 15-2085.

1шт.

138100C1

KIT, charge relief valve, Sundstrand pump model no. 15-2026

1шт.

Ref. nos. 43 thru 47 are for Sundstrand pump model no. 15-2085.

1шт.

142512C1

KIT, charge relief valve, Sundstrand pump model no. 15-2085

1шт.

Ref. nos. 43 thru 47 are for Sundstrand pump model no. 15-2085.

1шт.

Выбрано товаров: 67