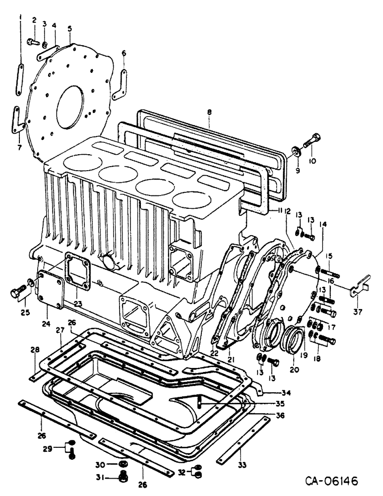
Запчасти Case IH 4150 (12-05) - POWER, TIMING GEAR CASE AND OIL PAN, MAZDA ENGINE (04) - Drive Train

Схема запчастей Case IH 4150 - (12-05) - POWER, TIMING GEAR CASE AND OIL PAN, MAZDA ENGINE (04) - Drive Train
FIT
1:1
100%

Артикул

Название

Примечание

Количество

2

75884C1

BOLT, end plate

14шт.

3

75885C1

WASHER, lock

2шт.

5

75886C1

PLATE, end

1шт.

8

75887C1

COVER, tappet

1шт.

9

75888C1

WASHER, sealing

4шт.

10

75889C1

BOLT, tappet cover

4шт.

11

75890C1

GASKET, tappet cover

1шт.

12

75891C1

GASKET, timing gear case cover

1шт.

13

75892C1

BOLT, timing gear case

2шт.

75893C1

BOLT, timing gear case

3шт.

75894C1

BOLT, timing gear case

1шт.

75895C1

BOLT, timing gear case

3шт.

75896C1

WASHER, plain

9шт.

75849C1

WASHER, lock

9шт.

14

75897C91

COVER ASSY, timing gear case, Includes ref nos 19 and 20

1шт.

15

75898C1

STUD, timing gear case

1шт.

16

75899C1

STUD, timing gear case

2шт.

17

76083C1

NUT, timing gear case cover

3шт.

75849C1

WASHER, lock

3шт.

75896C1

WASHER, plain

3шт.

18

76084C1

BOLT, timing gear case cover

2шт.

76085C1

BOLT, timing gear case cover

2шт.

75849C1

WASHER, lock

4шт.

19

76086C1

DEFLECTOR, oil

1шт.

20

76087C1

SEAL, oil

1шт.

21

76088C91

CASE ASSY, timing gear, Includes ref nos 15, 16 and 35

1шт.

22

76089C1

GASKET, timing gear case

1шт.

23

76090C1

GASKET, cylinder block plate

1шт.

24

76091C1

PLATE, cylinder block

1шт.

25

76092C1

BOLT, cylinder block plate

4шт.

75885C1

WASHER, lock

4шт.

26

76093C1

SUPPORT, oil pan

3шт.

27

76094C1

GASKET, oil pan

1шт.

28

76095C1

SUPPORT, oil pan, rear

1шт.

29

76096C1

BOLT, oil pan

20шт.

75882C1

WASHER, lock

20шт.

30

76097C1

GASKET, oil pan plug

1шт.

31

76098C1

PLUG, oil drain

1шт.

32

76099C1

NUT, oil pan

4шт.

75882C1

WASHER, lock

4шт.

33

76100C1

SUPPORT, oil pan, front

1шт.

34

76101C1

SUPPORT, oil pan, curved

1шт.

35

76102C1

STUD, oil pan

4шт.

36

76103C91

PAN ASSY, oil, Includes ref nos 30 and 31

1шт.

37

76104C1

PLATE, top indicator

1шт.

Выбрано товаров: 45