Запчасти Case IH 4150 (12-09) - POWER, CAMSHAFT, MAZDA ENGINE (04) - Drive Train

Схема запчастей Case IH 4150 - (12-09) - POWER, CAMSHAFT, MAZDA ENGINE (04) - Drive Train
FIT
1:1
100%

Артикул

Название

Примечание

Количество

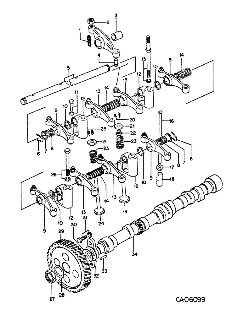
1

76135C1

SCREW, adjusting

8шт.

2

76136C1

NUT, lock

8шт.

3

76137C1

BUSHING, rocker arm

8шт.

4

76138C1

BALL, tappet

8шт.

5

76139C1

SHAFT, rocker arm

1шт.

6

76140C1

CLIP, rocker arm

2шт.

7

76141C1

SEAT, spring

2шт.

8

76142C1

SPRING, set

2шт.

9

76143C91

ARM ASSY, rocker, exhaust, Includes ref nos. 1 thru 4

4шт.

10

76144C1

WASHER, thrust

4шт.

11

76145C1

BOLT, shoulder

4шт.

75885C1

WASHER, lock

4шт.

12

76146C1

SUPPORT, rocker arm shaft

4шт.

13

76147C91

ARM ASSY, rocker, intake, Includes ref. nos. 1 thru 4

4шт.

14

76148C1

SPRING, set

3шт.

15

76149C1

BOLT, rocker arm shaft support

2шт.

75885C1

WASHER, lock

2шт.

16

76150C1

ROD, push

8шт.

17

76151C1

TAPPET, lower

8шт.

18

76152C1

TAPPET, follower

8шт.

19

76153C1

VALVE, intake

4шт.

20

76154C1

RETAINER, intake valve

8шт.

21

76155C1

SEAT, valve spring

8шт.

22

76156C1

RING, oil seal

4шт.

23

76157C1

SPRING, valve

8шт.

24

76158C1

VALVE, exhaust

4шт.

25

76159C1

RETAINER, exhaust valve

8шт.

26

76160C1

BOLT, rocker arm shaft support

2шт.

75885C1

WASHER, lock

2шт.

27

76161C1

NUT, timing gear

1шт.

28

76162C1

WASHER, lock

1шт.

29

NSS

NOT SOLD SEPARAT

SET, timing gear, Refer to crankshaft and pistons

1шт.

30

76163C1

WASHER, thrust

1шт.

31

75895C1

BOLT, lock plate

2шт.

75849C1

WASHER, lock

2шт.

32

76164C1

PLATE, lock

1шт.

33

76165C1

KEY, cam gear

1шт.

34

76166C1

CAMSHAFT

1шт.

Выбрано товаров: 38