Запчасти Case IH 4150 (12-42) - POWER, ENGINE AND MOUNTING, GASOLINE, LOADER, MAZDA ENGINE (04) - Drive Train

Схема запчастей Case IH 4150 - (12-42) - POWER, ENGINE AND MOUNTING, GASOLINE, LOADER, MAZDA ENGINE (04) - Drive Train
FIT
1:1
100%

Артикул

Название

Примечание

Количество

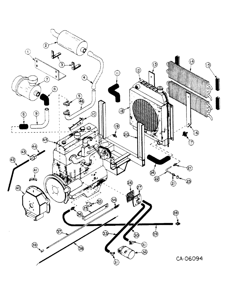
1

76476C1

BAFFLE, heat

1шт.

2

76477C1

MUFFLER

exhaust

1шт.

75043C1

CLAMP

1шт.

3

76478C1

ANGLE, exhaust, bracket

2шт.

120382

LOCK WASHER,Helical Spring, 3/8"

WASHER, LOCK, 3/8"

4шт.

120377

NUT,3/8" - 16, Gr 5

4шт.

4

76479C1

PIPE, exhaust, upper

1шт.

5

76480C1

GASKET, exhaust

1шт.

6

73862C1

HOSE, air inlet

1шт.

681209C1

HOSE CLAMP,#32, 1.56/2.50 Type F Worm, W/liner

CLAMP, #32 hose

1шт.

995222R1

CLAMP

#36 hose

1шт.

7

72252C91

CLEANER ASSY, air, Consists of

1шт.

72253C1

ELEMENT

air cleaner

1шт.

72254C1

WASHER, gasket

1шт.

72255C1

SCREW, thumb

1шт.

72256C1

CLAMP ASSY

1шт.

72257C1

BAFFLE ASSY

1шт.

72258C1

CUP ASSY

1шт.

72259C1

CAP, air stock

1шт.

72260C1

FILTER, precleaner, optional

1шт.

8

76481C1

HOSE, connector

1шт.

995222R1

CLAMP

#36 hose

2шт.

9

76482C1

TUBE, air inlet

1шт.

10

76483C1

SUPPORT, alternator, bracket

1шт.

11

76484C1

HOSE, upper radiator

1шт.

73871C1

ADAPTER, radiator hose

1шт.

27724R1

HOSE CLAMP,#24, 1.06/2.00 Type F Worm, W/liner

CLAMP, hose #24

2шт.

12

73872C1

RADIATOR

1шт.

72265C1

CAP

radiator

1шт.

13

73873C1

BAR, oil cooler mtg, RH

1шт.

180077

BOLT,Hex, 5/16" - 18 x 3/4", Gr 5

5/16 x 3/4 type 5

2шт.

120393

BEARING WASHER,5/16", SAE

WASHER, .344 x .688 x .051

2шт.

80681

LOCK WASHER,5/16"

WASHER, LOCK, 5/16"

2шт.

120376

NUT,5/16"-18, G5

2шт.

14

NSS

NOT SOLD SEPARAT

COOLER, oil, Refer to hyd and hydrostatic system

1шт.

15

73875C1

BAR, oil cooler retainer

4шт.

120382

LOCK WASHER,Helical Spring, 3/8"

WASHER, LOCK, 3/8"

4шт.

120377

NUT,3/8" - 16, Gr 5

4шт.

16

73880C1

BAR, oil cooler mtg, LH

1шт.

180177

BOLT,Hex, 1/2" - 13 x 1 1/2", Gr 5

1/2 x 1-1/2 type 5

2шт.

120393

BEARING WASHER,5/16", SAE

WASHER, .344 x .688 x .051

2шт.

80681

LOCK WASHER,5/16"

WASHER, LOCK, 5/16"

1шт.

120376

NUT,5/16"-18, G5

2шт.

17

73879C1

INSULATOR

radiator

4шт.

27701R1

WASHER

.406 x 1.750 x .105

4шт.

120394

WASHER,3/8", SAE

WASHER, .406 x .812 x .051

4шт.

120382

LOCK WASHER,Helical Spring, 3/8"

WASHER, LOCK, 3/8"

4шт.

120377

NUT,3/8" - 16, Gr 5

8шт.

18

73876C1

SHROUD, fan

1шт.

180177

BOLT,Hex, 1/2" - 13 x 1 1/2", Gr 5

1/2 x 1-1/2 type 5

4шт.

120393

BEARING WASHER,5/16", SAE

WASHER, .344 x .688 x .051

8шт.

80681

LOCK WASHER,5/16"

WASHER, LOCK, 5/16"

4шт.

120376

NUT,5/16"-18, G5

4шт.

19

77588C1

KIT

GAUGE, temperature sending, Start Serial: 146

1шт.

19

77586C91

KIT

temperature sender, Serial Range: -145

1шт.

20

76485C1

SUPPORT, rear motor, mount

1шт.

76486C1

SPACER, rear motor mount

1шт.

180177

BOLT,Hex, 1/2" - 13 x 1 1/2", Gr 5

1/2 x 1-1/2 type 5

4шт.

120384

WASHER,1/2"

LOCK, 1/2"

4шт.

120378

NUT,Hex, 1/2" - 13, Gr 5

NUT, 1/2"-13, G5

4шт.

77022C1

BAR, retainer

1шт.

180173

BOLT,Hex, 1/2" - 13 x 1", Gr 5

1шт.

120396

WASHER

.531 x 1.062 x .074

1шт.

21

72583C1

CONNECTOR

2шт.

22

76487C1

HOSE, radiator drain

1шт.

23

76488C1

CAP, hex pipe

1шт.

24

76489C1

HOSE, lower radaitor

1шт.

27337R1

HOSE CLAMP,#28, 1.31/2.25 Type F Worm, W/liner

CLAMP, #28 hose

2шт.

25

76490C1

SUPPORT, engine mount, RH

1шт.

25

76491C1

SUPPORT, engine mount, LH

1шт.

26

76492C1

GASKET, filter adapter

1шт.

27

76493C1

ADAPTER, remote oil filter

1шт.

120382

LOCK WASHER,Helical Spring, 3/8"

WASHER, LOCK, 3/8"

4шт.

181635

BOLT,Hex, 3/8" - 24 x 3/4", Gr 5

3/8-NF x 3/4 type 5

4шт.

28

74761C1

CONNECTOR

1шт.

29

NSS

NOT SOLD SEPARAT

HOSE, engine oil drain, Use 25 in. from 50 ft. roll marked 526602R1

1шт.

27860R1

HOSE CLAMP,#06, .44/.78 Type F Worm, W/liner

CLAMP, #6 hose

2шт.

30

NSS

NOT SOLD SEPARAT

HOSE, oil inlet, Use 20 in. from 50 ft roll marked 526602R1

1шт.

27860R1

HOSE CLAMP,#06, .44/.78 Type F Worm, W/liner

CLAMP, #6 hose

2шт.

31

73496C1

ELBOW

2шт.

32

76396C1

HEAD, filter

1шт.

73321C1

ELEMENT

filter

1шт.

120393

BEARING WASHER,5/16", SAE

WASHER, .344 x .688 x .051

2шт.

80681

LOCK WASHER,5/16"

WASHER, LOCK, 5/16"

2шт.

180081

BOLT,Hex, 5/16"-18 x 1 1/4", G5

2шт.

33

NSS

NOT SOLD SEPARAT

HOSE, oil outlet, Use 25 in. from 50 ft. roll marked 526602R1

1шт.

27860R1

HOSE CLAMP,#06, .44/.78 Type F Worm, W/liner

CLAMP, #6 hose

2шт.

34

75057C1

SPRING

throttle

1шт.

35

77590C1

SENDER UNIT

GAUGE, oil pressure sender

1шт.

36

76494C1

FITTING, oil drain

1шт.

37

76495C1

ROD, throttle

1шт.

120613

JAM NUT,Hex, 1/4" - 28, Gr 5

1шт.

38

76496C1

CABLE, choke

1шт.

39

72266C1

END

rod

1шт.

40

76497C1

SUPPORT, front motor

1шт.

180122

BOLT,Hex, 3/8" - 16 x 1", Gr 5

3/8 x 1 type 5

8шт.

138242

HEX SOC SCREW,3/8" - 16 x 1"

1шт.

120382

LOCK WASHER,Helical Spring, 3/8"

WASHER, LOCK, 3/8"

9шт.

120377

NUT,3/8" - 16, Gr 5

9шт.

41

73888C1

CLAMP, hose

1шт.

120382

LOCK WASHER,Helical Spring, 3/8"

WASHER, LOCK, 3/8"

1шт.

120377

NUT,3/8" - 16, Gr 5

1шт.

42

76498C1

HOSE, fuel, Serial Range: tank-filter

1шт.

72271C1

CLAMP, hose

2шт.

43

72272C1

FILTER

fuel

1шт.

44

76499C1

HOSE, fuel, Serial Range: filter-pump

1шт.

72271C1

CLAMP, hose

2шт.

45

75829C91

ENGINE ASSY, M4-121 Mazda

1шт.

45

77718C91

ENGINE ASSY, short block

1шт.

46

76500C1

PIPE, exhaust, lower

1шт.

Выбрано товаров: 110