Качественные детали и логистика
Оригинальные и аналоговые запчасти с доставкой по России, Казахстану и Беларуси
©2022 PartSell ООО "Система" ИНН 2463123282 ОГРН 1212400004838
Центральный офис: г. Красноярск, Академика Киренского, д.87, пом.4
Телефон: 8 (800) 777-65-74 Email: zakaz@partsell.ru
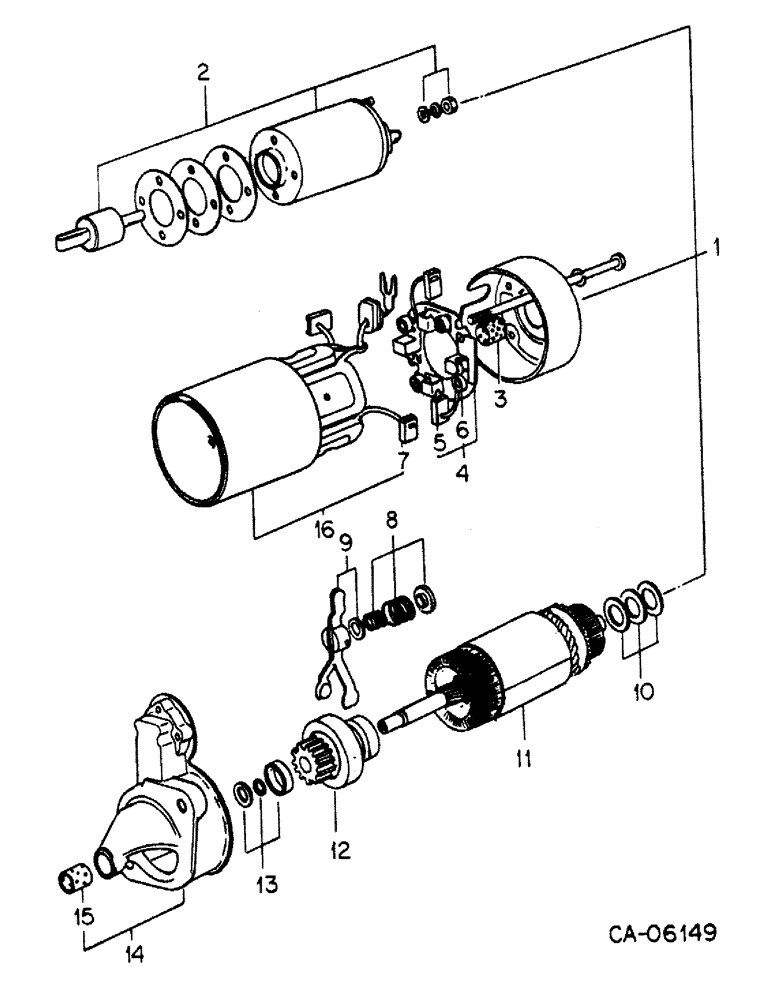
(08-08) - ELECTRICAL, STARTER MOTOR, MAZDA ENGINE
№
Артикул
Название
Примечание
Количество
1
76295C91
MOTOR ASSY, starter
1шт.
2
76296C1
SWITCH ASSY, solenoid
3
76297C1
BUSHING, cover
4
76289C91
HOLDER ASSY, brush, Includes ref. nos. 5 and 6
5
76299C1
BRUSH
2шт.
6
76300C1
SPRING, brush
4шт.
7
76301C1
8
76302C1
KIT, spring
9
76303C1
LEVER
10
76304C1
KIT, washer
11
76305C1
ARMATURE
12
76306C1
GEAR, clutch pinion
13
76307C1
KIT, pinion stopper
14
76308C91
HOUSING ASSY, gear, Includes ref. no. 15
15
76309C1
BUSHING, gear housing
16
76310C91
COIL ASSY, field, Includes ref. no. 7
Выбрано товаров: 0