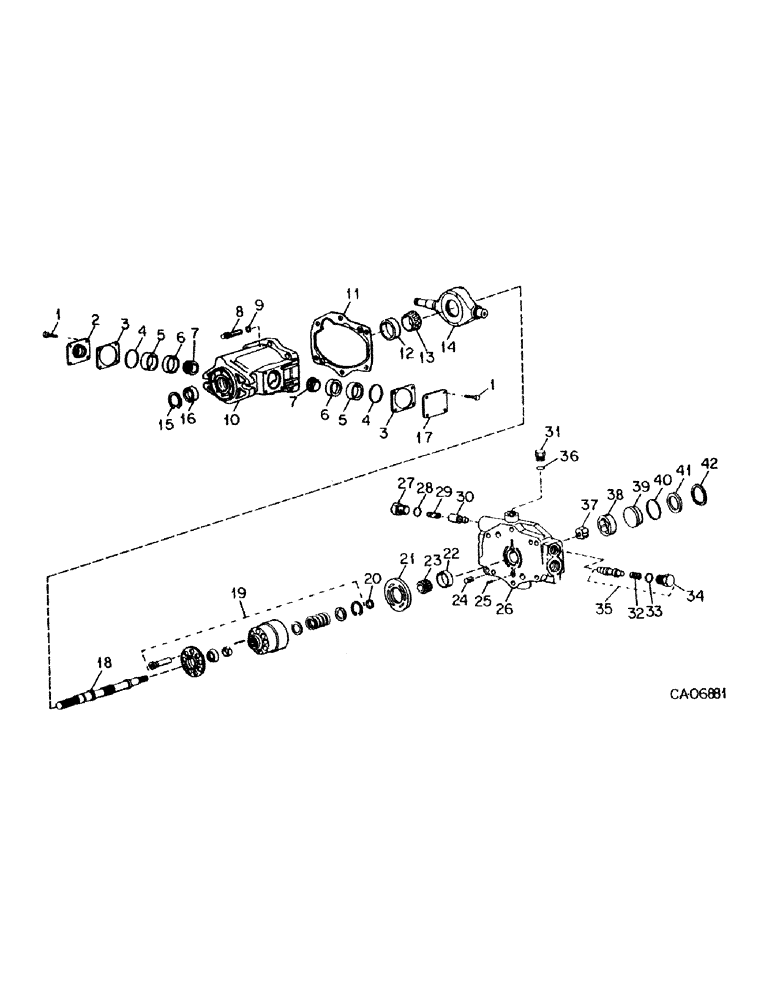
Запчасти Case IH 4150 (10-25) - HYDRAULICS, HYDROSTATIC PUMP ASSY, LOADER (07) - HYDRAULICS

Схема запчастей Case IH 4150 - (10-25) - HYDRAULICS, HYDROSTATIC PUMP ASSY, LOADER (07) - HYDRAULICS
FIT
1:1
100%

Артикул

Название

Примечание

Количество

77833C91

PUMP ASSY, hydrostatic

1шт.

1

145591C1

BOLT,Hex, Serr , 1/4" - 20 x 0.50"

trunnion

8шт.

2

NSS

NOT SOLD SEPARAT

order pump assy

1шт.

3

145590C91

PACKAGE

KIT, trunnion shim

1шт.

4

379961R1

O-RING,0.103" Thk x 2.05" ID, -137, Cl 5, 75 Duro

2.125 x 2.250 x .125, Furnished as part of 145588C91

2шт.

5

NSS

NOT SOLD SEPARAT

order pump assy

1шт.

6

572564R1

BEARING CUP

BEARING, trunnion cup

2шт.

7

572563R1

ROLLER BEARING,27 mm ID x 50.317 mm OD x 14.732 mm

CONE #L44649

2шт.

8

145596C1

BOLT,Torx, 3/8" - 16 x 1.50", Gr 5

6шт.

9

NSS

NOT SOLD SEPARAT

order pump assy

1шт.

10

NSS

NOT SOLD SEPARAT

order pump assy

1шт.

11

145594C1

GASKET

block assy, Furnished as part of 145588C91

1шт.

12

642954R1

BEARING ASSY,1" ID x 2.441" OD x 0.8125"

BEARING, housing cup

2шт.

13

145579C91

BEARING HOUSING

BEARING, housing cone

2шт.

14

145597C1

FORK

HOUSING, swashplate, yoke

1шт.

15

309107R1

SNAP RING,1.75", Int, #175

Ring, Snap, 1.75", Int, #175

1шт.

16

145587C1

SEAL

pump shaft lip

1шт.

17

NSS

NOT SOLD SEPARAT

order pump assy

1шт.

18

145589C1

SHAFT, pump

1шт.

19

145592C91

KIT

rotating group

1шт.

20

145582C91

PACKAGE

KIT, bearing spacer

1шт.

21

145593C1

LARGE PLATE

PLATE, valve

1шт.

22

371883R1

BEARING CUP

Valve block

1шт.

23

371882R91

ROLLER BEARING,20.64mm ID x 49.23mm OD x 19.84mm W

Valve block

1шт.

24

NSS

NOT SOLD SEPARAT

order pump assy

1шт.

25

145583C1

PIN

dowel

1шт.

26

NSS

NOT SOLD SEPARAT

order pump assy

1шт.

27

NSS

NOT SOLD SEPARAT

order pump assy

1шт.

28

NSS

NOT SOLD SEPARAT

order pump seal kit 145588C91

1шт.

29

NSS

NOT SOLD SEPARAT

order pump assy

1шт.

30

NSS

NOT SOLD SEPARAT

order pump assy

1шт.

31

NSS

NOT SOLD SEPARAT

order pump assy

1шт.

32

NSS

NOT SOLD SEPARAT

order pump assy

1шт.

33

NSS

NOT SOLD SEPARAT

order pump seal kit 145588C91

1шт.

34

NSS

NOT SOLD SEPARAT

order pump assy

1шт.

35

NSS

NOT SOLD SEPARAT

order pump assy

1шт.

36

NSS

NOT SOLD SEPARAT

order pump seal kit 145588C91

1шт.

37

NSS

NOT SOLD SEPARAT

order pump assy

1шт.

38

NSS

NOT SOLD SEPARAT

order pump assy

1шт.

39

NSS

NOT SOLD SEPARAT

order pump assy

1шт.

40

293726R1

O-RING,0.139" Thk x 2.234" ID, -228, Cl 5, 75 Duro

2.250 x 2.500 x .125, Furnished as part of 145588C91

1шт.

41

NSS

NOT SOLD SEPARAT

order pump assy

1шт.

42

959928R1

SNAP RING,2.50", Int, #250

Ring, Snap, 2.50", Int, #250

1шт.

145588C91

KIT

pump seal

1шт.

Выбрано товаров: 44