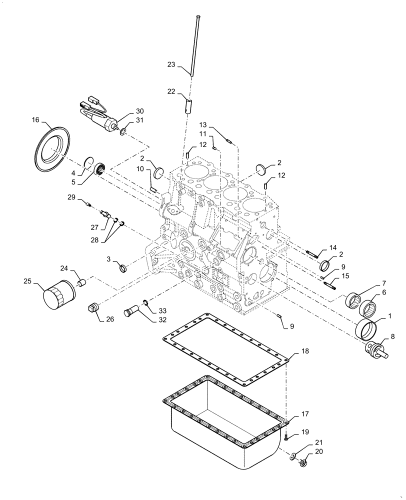
Запчасти Case IH SR130 (10.001.AB) - CRANKCASE ASSOCIATED PARTS (10) - ENGINE

Схема запчастей Case IH SR130 - (10.001.AB) - CRANKCASE ASSOCIATED PARTS (10) - ENGINE
23
12
28
5
7
9
24
9
26
12
25
11
32
19
31
30
17
15
20
21
2
3
18
2
16
6
33
10
8
22
14
1
27
29
2
4
13
FIT
1:1
100%

Артикул

Название

Примечание

Количество

1

SBA198517222

BUSHING

1шт.

2

SBA064209055

CAP

5шт.

3

SBA064210025

PLUG,25mm

2шт.

4

SBA064100045

PLUG

1шт.

5

SBA040106203

BALL BEARING,17mm ID x 40mm OD x 12mm W

1шт.

6

SBA042309017

NEEDLE BEARING

1шт.

7

SBA042309018

NEEDLE BEARING

1шт.

8

SBA165296260

SHAFT

1шт.

9

SBA030500616

DOWEL,M6 x 16

2шт.

10

SBA030501025

BALL STUD,M10 x 25 L

2шт.

11

SBA030500612

DOWEL

2шт.

12

SBA030309005

PIN

2шт.

13

SBA012110820

STUD

3шт.

14

SBA012110635

STUD

1шт.

15

SBA012110660

STUD

1шт.

16

SBA050209083

SEAL

1шт.

17

SBA110708770

ENGINE OIL PAN

1шт.

18

SBA110996860

GASKET

1шт.

19

SBA010109235

BOLT

30шт.

20

SBA010109238

BOLT

1шт.

21

SBA025100016

WASHER,16.4mm ID x 27mm OD x 2mm Thk

1шт.

22

SBA120116160

TAPPET

8шт.

23

SBA120456310

PUSH ROD

8шт.

24

SBA140546020

ADAPTER

1шт.

25

84475542

ENGINE OIL FILTER

1шт.

26

SBA064500060

PLUG

1шт.

27

SBA110756660

GUIDE

1шт.

28

SBA052109113

O-RING,2.4mm Thk x 9.8mm ID

2шт.

29

SBA011310612

CAPTIVE WASHER SCREW,Hex, M6 x 12, Cl 8.8

1шт.

30

SBA185206510

Fuel Shut Off

SOLENOID

1шт.

31

SBA025100016

WASHER,16.4mm ID x 27mm OD x 2mm Thk

1шт.

32

SBA140036220

VALVE PRESSURE RELIE

1шт.

33

SBA052109078

O-RING,2.4mm Thk x 9.8mm ID

1шт.

Выбрано товаров: 33