Запчасти Case IH SR130 (10.218.AE) - FUEL SYSTEM INJECTOR (10) - ENGINE

Схема запчастей Case IH SR130 - (10.218.AE) - FUEL SYSTEM INJECTOR (10) - ENGINE
19
4
15
15
17
16
8
9
5
2
home
10
13
10
12
18
3
11
7
14
1
20
6
FIT
1:1
100%

Артикул

Название

Примечание

Количество

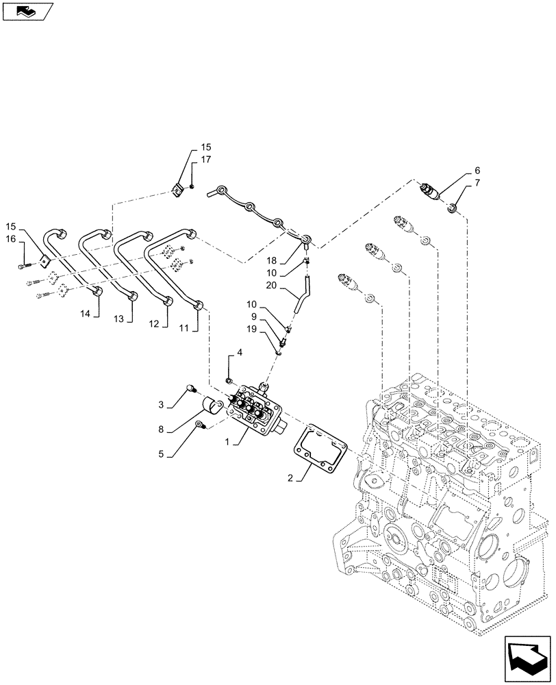
1

SBA131011120

FUEL INJECTION PUMP

1шт.

1

SBA131011120R

REMAN-FUEL INJ PUMP

1шт.

1

SBA131011120C

CORE-FUEL INJ PUMP

Return Number

1шт.

2

SBA131437491

0.20

SHIM

1шт.

2

SBA131437731

0.25

SHIM,0.25mm Thk

1шт.

2

SBA131437501

0.30

SHIM

1шт.

2

SBA131437761

0.35

SHIM,0.35mm Thk

1шт.

2

SBA131437511

0.40

SHIM

1шт.

2

SBA131437521

0.50

SHIM,0.5mm Thk

1шт.

2

SBA131437531

SHIM

1шт.

3

SBA010800820

BOLT

2шт.

4

SBA023100008

NUT

3шт.

5

SBA010700820

BOLT

1шт.

6

SBA131406360

FUEL SYSTEM INJECTOR

4шт.

6

87298764

REMAN-FUEL INJECTOR

Reman for New PN SBA131406360

4шт.

6

87298765

CORE-FUEL INJECTOR

Return Number

4шт.

7

SBA131426200

SEAL

4шт.

8

SBA130976900

BRACKET

1шт.

9

SBA198487920

HYD CONNECTOR

1шт.

10

SBA067200078

HOSE CLAMP

2шт.

11

SBA131501030

RIGID TUBE

1шт.

12

SBA131501040

RIGID TUBE

1шт.

13

SBA131501050

RIGID TUBE

1шт.

14

SBA131501060

RIGID TUBE

1шт.

15

SBA199106021

CLAMP

6шт.

16

SBA010110625

SCREW

3шт.

17

SBA023100006

NUT

3шт.

18

SBA131607230

INJECTION PIPE

1шт.

19

SBA140996350

COPPER WASHER,8.36mm ID x 12.98mm OD x 1.02mm Thk

1шт.

20

SBA068204112

HOSE

1шт.

Выбрано товаров: 0