Запчасти Case IH SR130 (29.200.AI[01]) - HAND CONTROLS MOUNTING ASSEMBLY (29) - HYDROSTATIC DRIVE

Схема запчастей Case IH SR130 - (29.200.AI[01]) - HAND CONTROLS MOUNTING ASSEMBLY (29) - HYDROSTATIC DRIVE
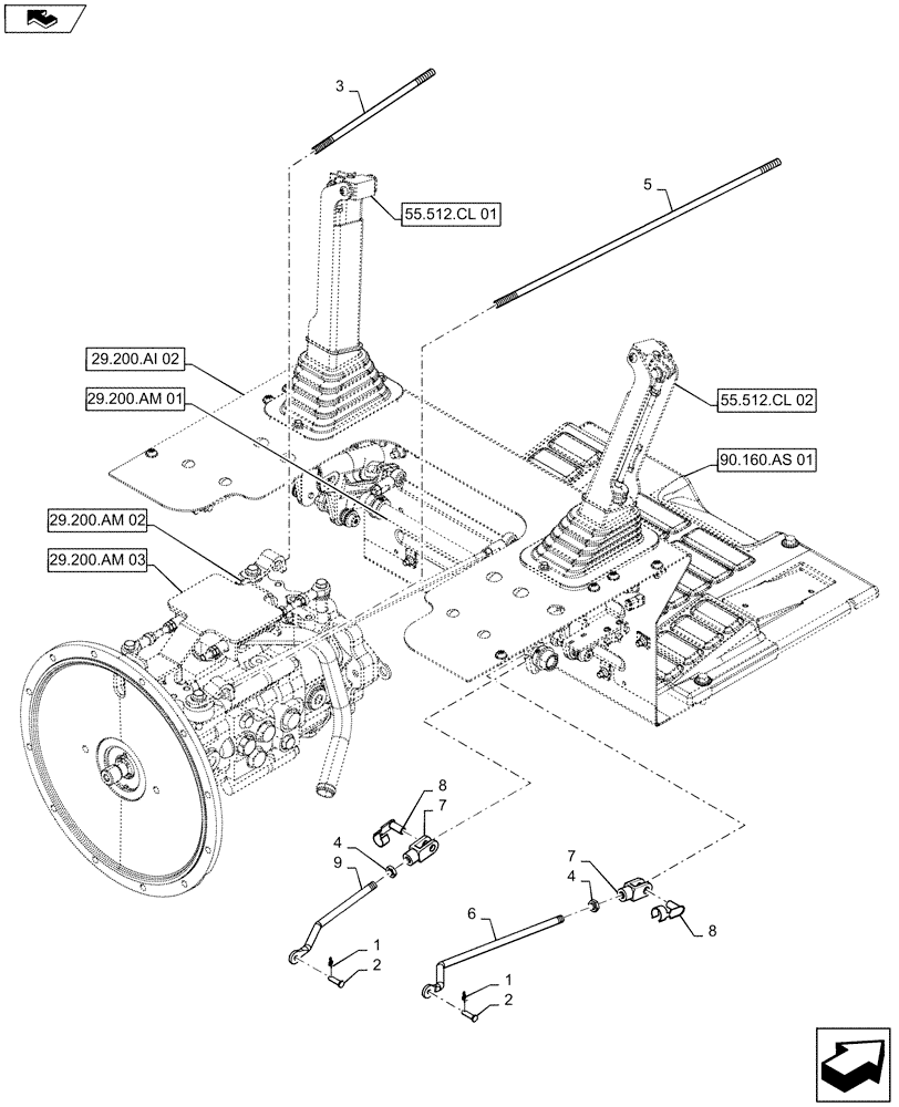
55.512.cl 02
29.200.ai 02
6
29.200.am 02
4
1
29.200.am 01
9
29.200.am 03
7
1
3
2
8
90.160.as 01
7
2
55.512.cl 01
4
5
home
8
FIT
1:1
100%

Артикул

Название

Примечание

Количество

1

D131983

COTTER PIN,1.04mm OD x 21.4mm L, Ring

Cotter

2шт.

2

86637789

CLEVIS PIN,1/4" x .906"

2шт.

3

84321900

Ground Drive, Manual LH

MOUNTING ROD

1шт.

4

84221258

THIN NUT,M10 x 1.5, Cl 5

2шт.

5

84321899

Ground Drive, Manual RH

MOUNTING ROD

1шт.

6

84315831

Loader Valve, Boom

ROD

1шт.

7

84299261

CLEVIS,10mm ID x 20mm L

2шт.

8

84299262

CLEVIS PIN,10mm OD x 20mm L

2шт.

9

84315830

Loader Valve, Bucket

ROD

1шт.

Выбрано товаров: 9