Запчасти Case IH SR130 (35.220.AA) - STANDARD GEAR PUMP (35) - HYDRAULIC SYSTEMS

Схема запчастей Case IH SR130 - (35.220.AA) - STANDARD GEAR PUMP (35) - HYDRAULIC SYSTEMS
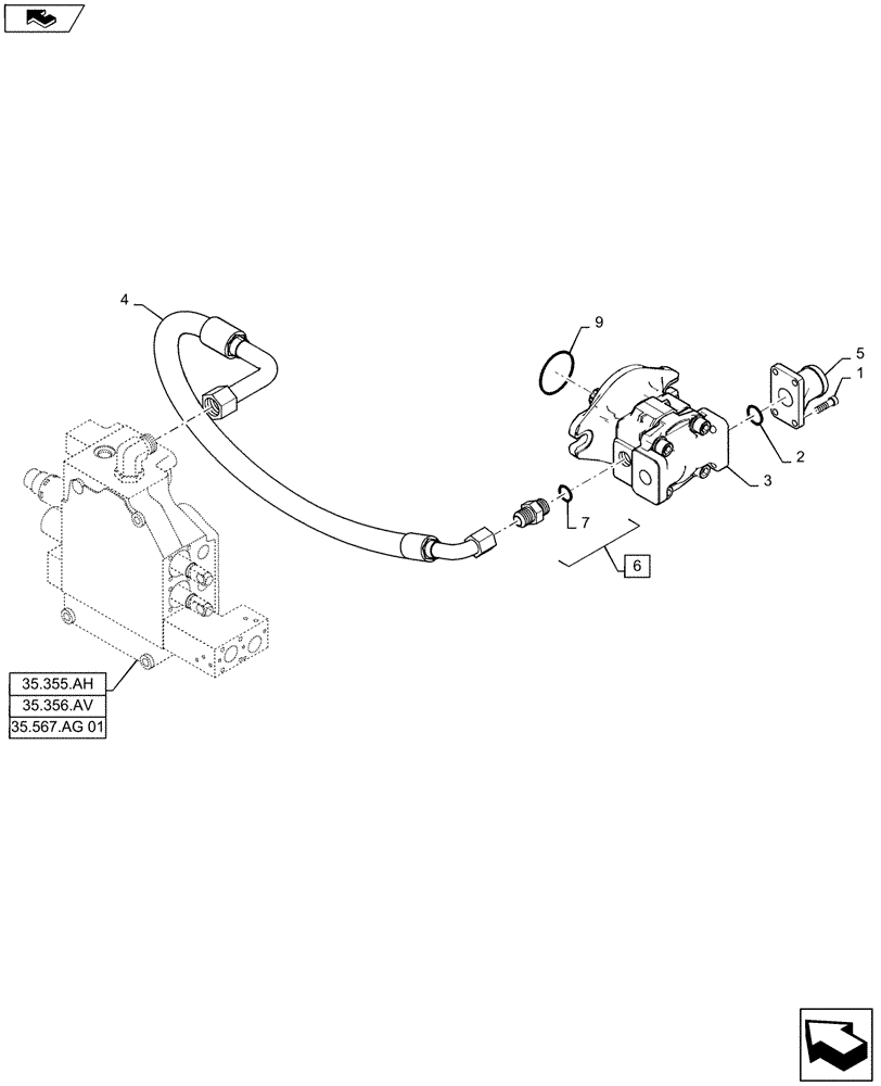
5
4
3
7
1
35.567.ag 01
home
35.356.av
9
35.355.ah
6
2
FIT
1:1
100%

Артикул

Название

Примечание

Количество

1

14307321

HEX SOC SCREW,M10 x 1.25 x 20mm, Full Thd, Cl 8.8

4шт.

2

14463580

O-RING,0.139" Thk x 1.17" ID, -217, Cl 5, 75 Duro

1шт.

3

47375385

HYDRAULIC PUMP,23.7 CC

Gear Pump, Incl 8

1шт.

4

84330502

Loader Valve Supply

HOSE,9.53mm ID x 830mm L, SAE 100R17

1шт.

5

84561027

Gear Pump Suction

FITTING

1шт.

6

86507102

HYD CONNECTOR,1-1/16" - 12 ORB x 7/8" - 14 JIC

Incl 7

1шт.

7

167266

O-RING,0.116" Thk x 0.924" ID, -912, Cl 6, 90 Duro

1-1/16" ORB

1шт.

8

84389261

Gear Pump, Not Illustrated

SEAL KIT

1шт.

9

9828498

O-RING,0.103" Thk x 3.987" ID, -155, Cl 5, 75 Duro

Mounting Oring

1шт.

Выбрано товаров: 9