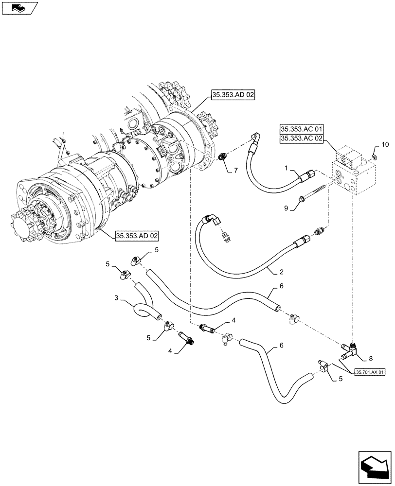
Запчасти Case IH SR130 (35.353.AC[03]) - BRAKE LINES (02-OCT-2016 & PRIOR) (35) - HYDRAULIC SYSTEMS

Схема запчастей Case IH SR130 - (35.353.AC[03]) - BRAKE LINES (02-OCT-2016 & PRIOR) (35) - HYDRAULIC SYSTEMS
5
9
5
6
6
1
5
4
10
8
35.353.ad 02
7
3
2
35.701.ax 01
35.353.ad 02
35.353.ac 02
5
home
35.353.ac 01
4
FIT
1:1
100%

Артикул

Название

Примечание

Количество

1

84257177

Brake

HOSE ASSY.,6.35mm ID x 420.8mm L, SAE 100R17

1шт.

2

84257176

Brake

HOSE ASSY.,6.35mm ID x 656.4mm L, SAE 100R17

1шт.

3

84259527

Case Drain

HOSE,12.7mm ID x 405.8mm L

1шт.

4

86705988

FITTING,1/2" Hose Bead x 9/16" - 18 ORB

Incl 11

2шт.

5

13021

HOSE CLAMP,12.7mm - 23.1mm, Worm Gear

5шт.

6

84257173

Drain

HOSE,12.7mm ID x 570mm L

2шт.

7

76350

HYD CONNECTOR,9/16" - 18 ORB x 9/16" - 18 JIC

Incl 11

4шт.

8

84187294

Incl 11

ADAPTER,12.7mm OD Hose Bead x 12.7mm Hose Bead x 9/16" - 18 ORB

1шт.

9

229197A1

SQUARE NUT,M8 x 1.25, Cl 8

2шт.

10

86511844

BOLT,M8 x 1.25 x 100mm, 22mm Thd, Cl 8.8

2шт.

11

9617873

O-RING,0.078" Thk x 0.468" ID, -906, Cl 6, 90 Duro

7шт.

Выбрано товаров: 0